EasyManua.ls Logo

Miller ENPAK - Hydraulic Troubleshooting (Models With Hydraulic Power Source)

Miller ENPAK
96 pages
Print Icon
To Next Page IconTo Next Page
To Next Page IconTo Next Page
To Previous Page IconTo Previous Page
To Previous Page IconTo Previous Page
Loading...
OM-261050 Page 60
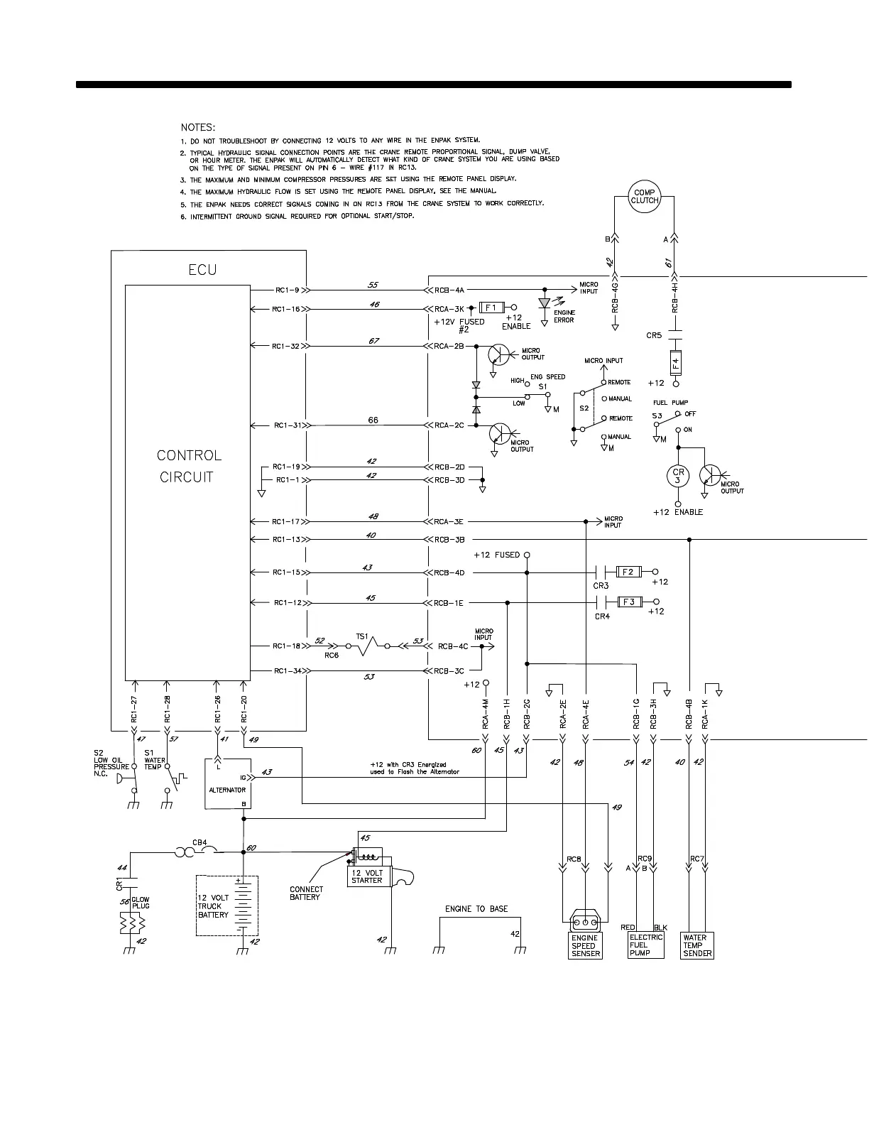
SECTION 13 DIAGRAMS
Figure 13-1. Training Circuit Diagram For EnPak

Table of Contents

Related product manuals