EasyManua.ls Logo

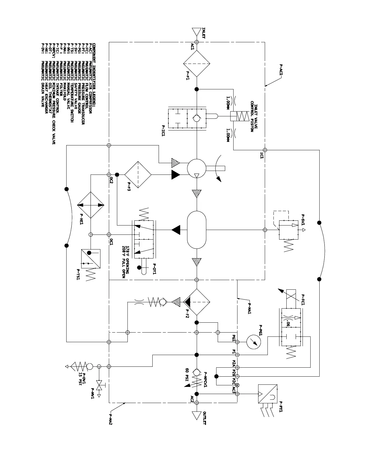
Miller ENPAK - Air Compressor Diagram

Miller ENPAK
96 pages
Print Icon
To Next Page IconTo Next Page
To Next Page IconTo Next Page
To Previous Page IconTo Previous Page
To Previous Page IconTo Previous Page
Loading...
OM-261050 Page 63
261 045-A
Figure 13-3. Air Compressor Diagram

Table of Contents

Related product manuals