EasyManua.ls Logo

Miller Multimatic 215 - Electrical Diagram

Miller Multimatic 215
72 pages
Print Icon
To Next Page IconTo Next Page
To Next Page IconTo Next Page
To Previous Page IconTo Previous Page
To Previous Page IconTo Previous Page
Loading...
OM-272989 Page 46
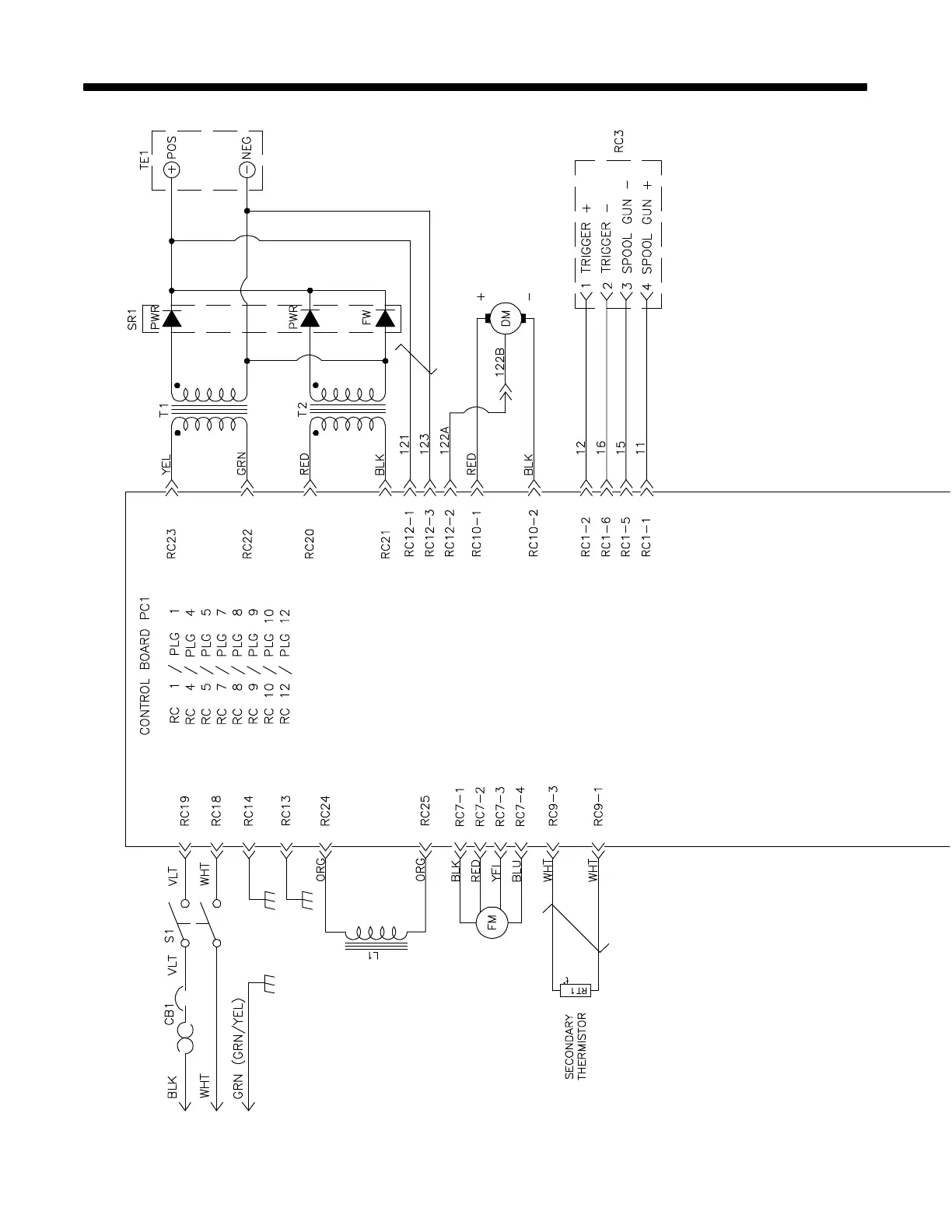
SECTION 8 ELECTRICAL DIAGRAM
Figure 8-1. Circuit Diagram

Table of Contents

Related product manuals