EasyManua.ls Logo

Miller PRO 300 - 10-3. Run-In Procedure Using Resistance Grid

Miller PRO 300
76 pages
Print Icon
To Next Page IconTo Next Page
To Next Page IconTo Next Page
To Previous Page IconTo Previous Page
To Previous Page IconTo Previous Page
Loading...
OM-4422 Page 48
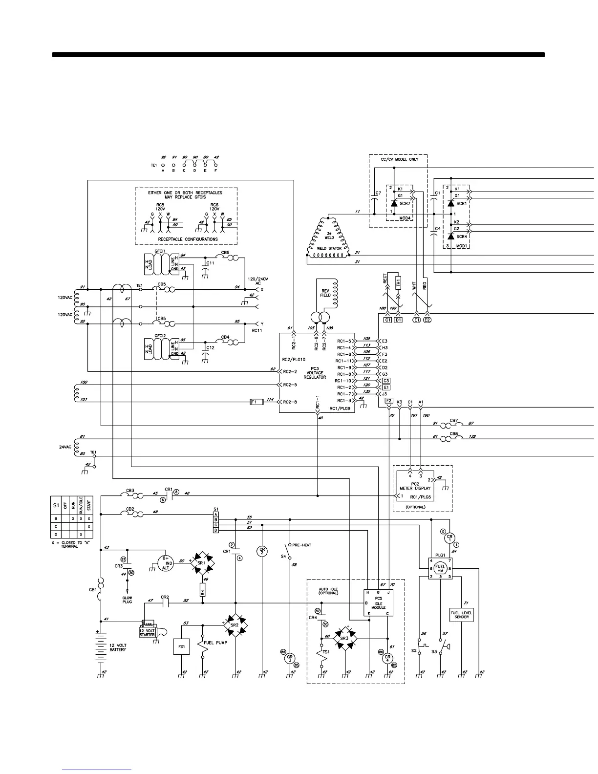
SECTION 9 ELECTRICAL DIAGRAMS
Figure 9-1. Circuit Diagram For Welding Generator

Table of Contents

Related product manuals