EasyManua.ls Logo

Miller Subarc DC 650 - Electrical Schematics and Diagrams; DC 650;800 Models Circuit Diagram

Miller Subarc DC 650
56 pages
Print Icon
To Next Page IconTo Next Page
To Next Page IconTo Next Page
To Previous Page IconTo Previous Page
To Previous Page IconTo Previous Page
Loading...
. A complete Parts List is available at www.MillerWelds.com
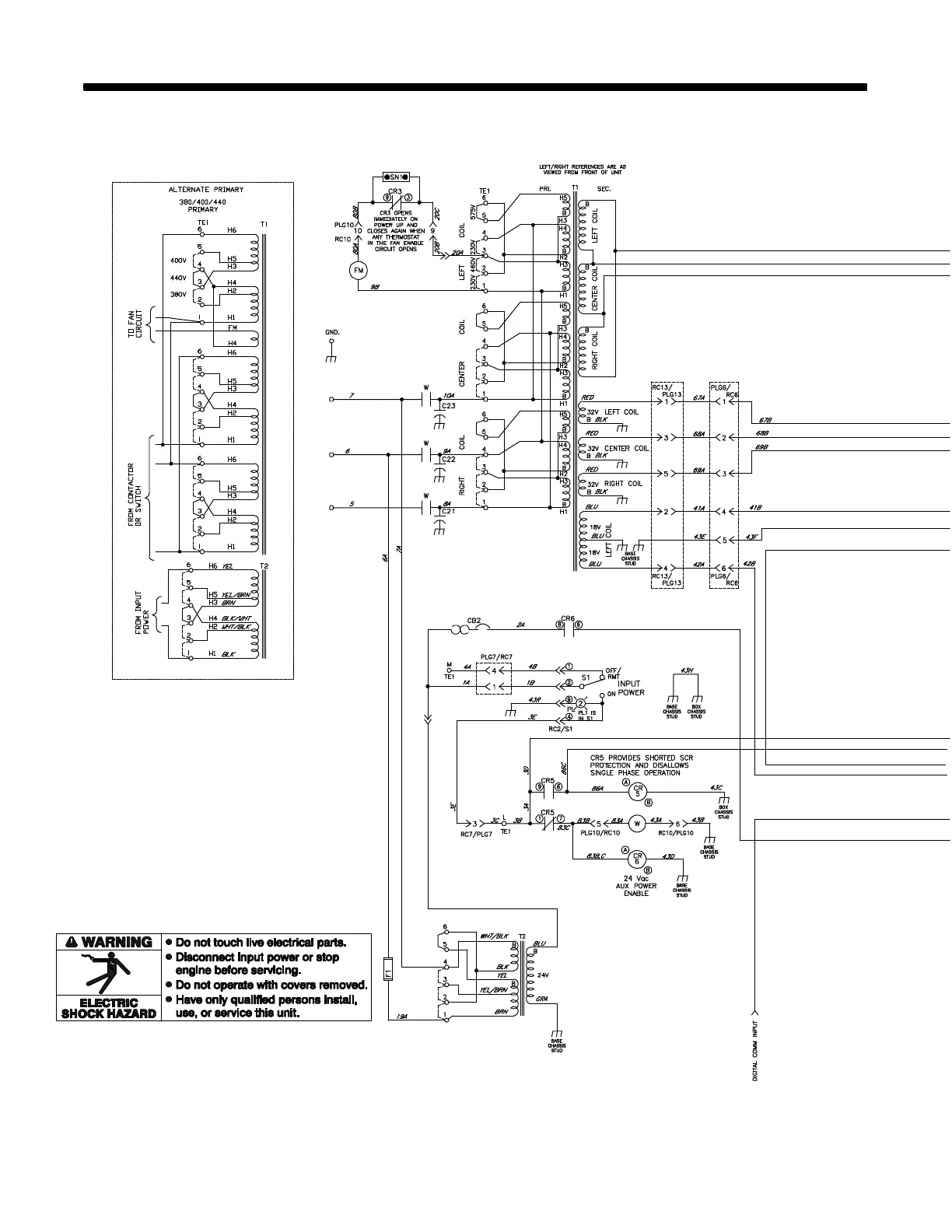
OM-265 363 Page 42
SECTION 10 − ELECTRICAL DIAGRAM
Figure 10-1. Circuit Diagram For DC 650/800 Models

Table of Contents