EasyManua.ls Logo

Miller Subarc DC 650 - Page 49

Miller Subarc DC 650
56 pages
Print Icon
To Next Page IconTo Next Page
To Next Page IconTo Next Page
To Previous Page IconTo Previous Page
To Previous Page IconTo Previous Page
Loading...
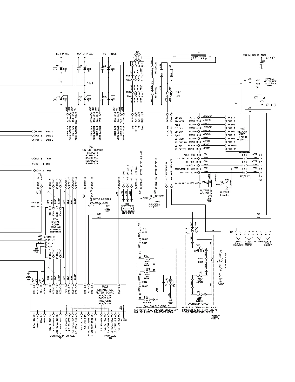
. A complete Parts List is available at www.MillerWelds.com
OM-265 363 Page 43
262 523-A

Table of Contents

Related product manuals