EasyManua.ls Logo

Mitsubishi LE-30CTN - Page 59

Mitsubishi LE-30CTN
64 pages
To Next Page IconTo Next Page
To Next Page IconTo Next Page
To Previous Page IconTo Previous Page
To Previous Page IconTo Previous Page
Loading...
57
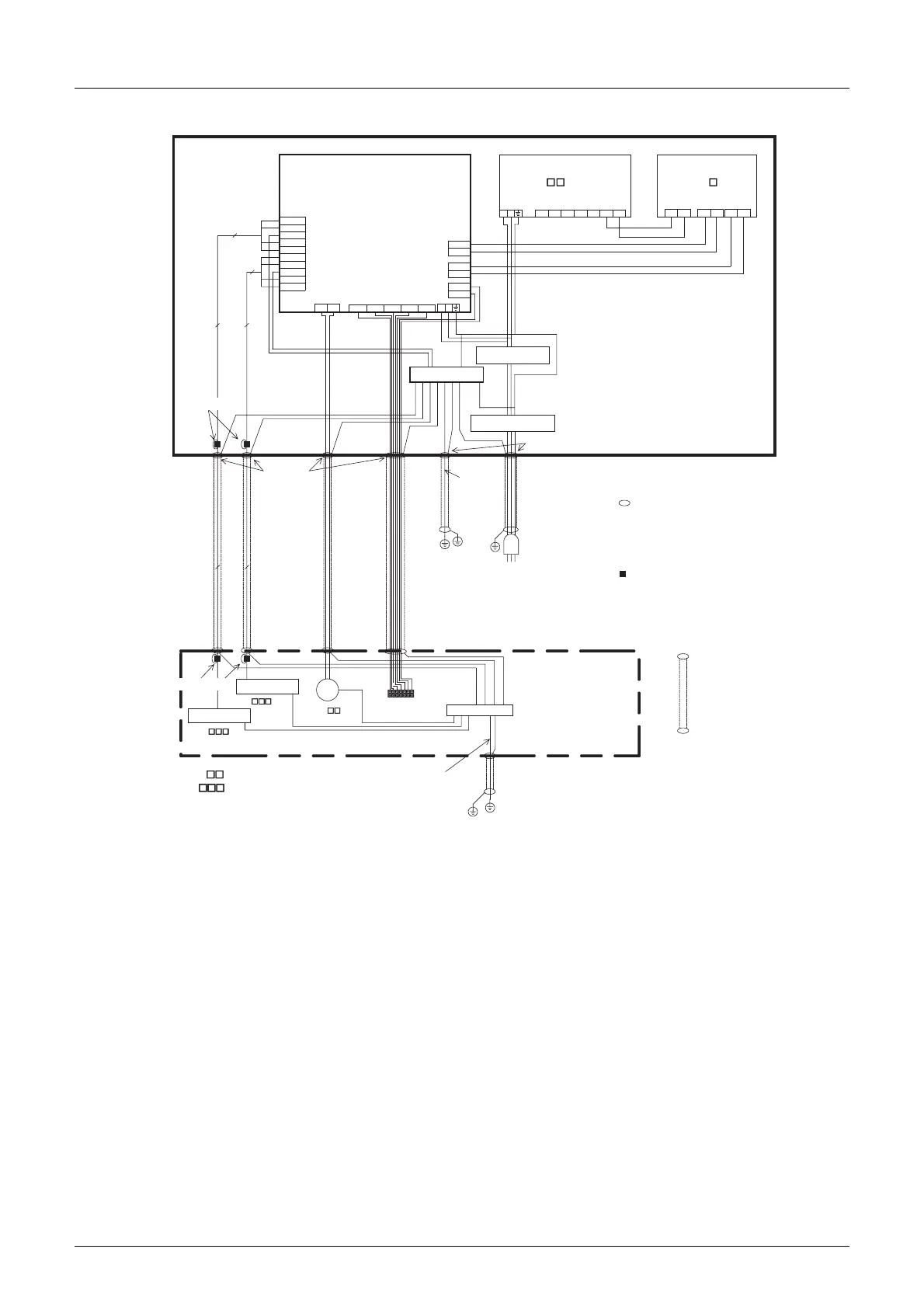
13.4 Measures for EMC
13. EC Directives (CE Marking)
Connection example for EMC
Tension controller
LE-30CTN
LN
MI1 MI2 MI3
RUN
MIC
PP PN
Analog unitPLC
Tension detector
Tension detector
GRR
WHR
SG
RED
BLK
GRL
SG
WHL
LX- TD
ZT
ZT
TOUT
AOC
AO1
AOC
Powder
clutch/brake
ZKG-
AN
Terminal block
Bus bar
LX- TD
Bus bar
Earth
RED
BLK
Ground
strap
Line filter
24V 0V V+ VI- V+ VI-
CH1 CH2
LN Y0 Y1 Y2 Y3 24V24V 0V
Control box
(*Door is open.)
Ferrite core
(Grounding ring)
Grounding ring
(Ferrite core)
(Ferrite core)
Ground
strap
Earth
(Grounding ring)
(Grounding ring)
(Grounding ring)
(Grounding ring)
(Grounding ring)
TFCM-41-27-16 (KITAGAWA)
NFB
TD(TENSION SENSOR) ×2
AN(POWDER CLUTCH) ×1ZKG-
LE-
7 wires signal cable
DC12V,10mA
,
2-lead cable
DC24V,3A
FX2N- MR-ES/UL
FX2N- AD
(No fuse breaker)
RSHN-2006
(TDK-Lamda)
ConduitConduitConduitConduitConduit
Conduit
(Flexible shield pipe)
(*Door is open.)
In the control box for actuator and tension detector, its
door can be open depending on the grounding condition.
0.5m
Conduit
3-lead power supply
cable
AC230V
INPUT
Control box
(Door is closed.)
(Torque monitor)
(Torque monitor)

Table of Contents

Related product manuals