EasyManua.ls Logo

MKS 653B - KF Series Flanges; Figure 6: Outline Dimensions of a KF Series Flange; Table 6: Size Options for KF Series Flanges

MKS 653B
41 pages
Print Icon
To Next Page IconTo Next Page
To Next Page IconTo Next Page
To Previous Page IconTo Previous Page
To Previous Page IconTo Previous Page
Loading...
Flange Types Cha
p
ter Two: Installation
14
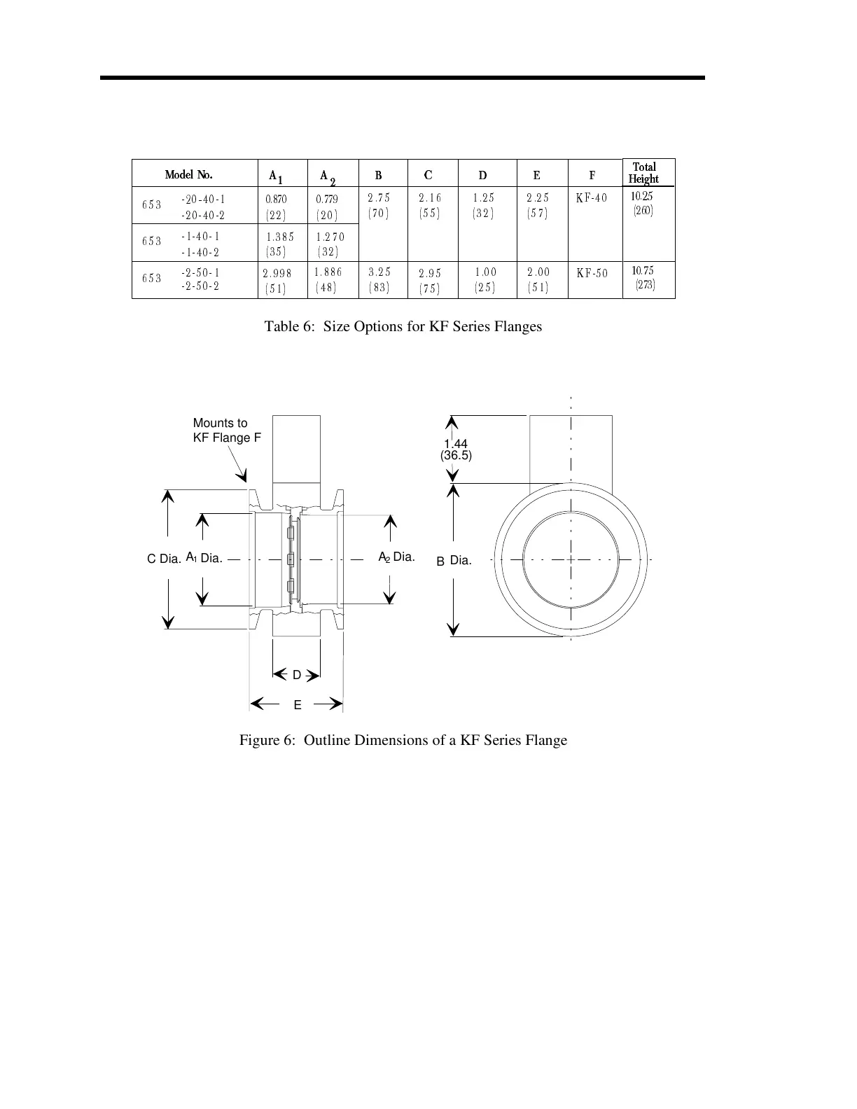
KF Series Flanges
2.998
(51)
1.886
(48)
-20-40-2
-1-40-2
-2-50-2
653
653
653
-2-50-1
-1-40-1
-
2
0
-
40-1
F
ECDB
KF-50
(51)
2.00
(75)
2.95
(25)
1.00
(83)
3.25
(32)
1.270
(35)
1.385
KF-40
(57)
2.25
(55)
2.16
(32)
1.25
(70)
2.75
(20)
0.779
(22)
0.870
Model No.
AA
1
2
Total
Height
10.25
(260)
10.75
(273)
Table 6: Size Options for KF Series Flanges
B
(36.5)
1.44
E
D
Dia.
Mounts to
KF Flan
g
e F
C Dia.
Dia.
A
1
A
2
Dia.
Figure 6: Outline Dimensions of a KF Series Flange

Table of Contents

Related product manuals