NEUTRAL BUS
1
2 3 4 5 6 7 8 9
RECEIVER
POWER
SUPPLY
120V
240V
1 2 3 4 5
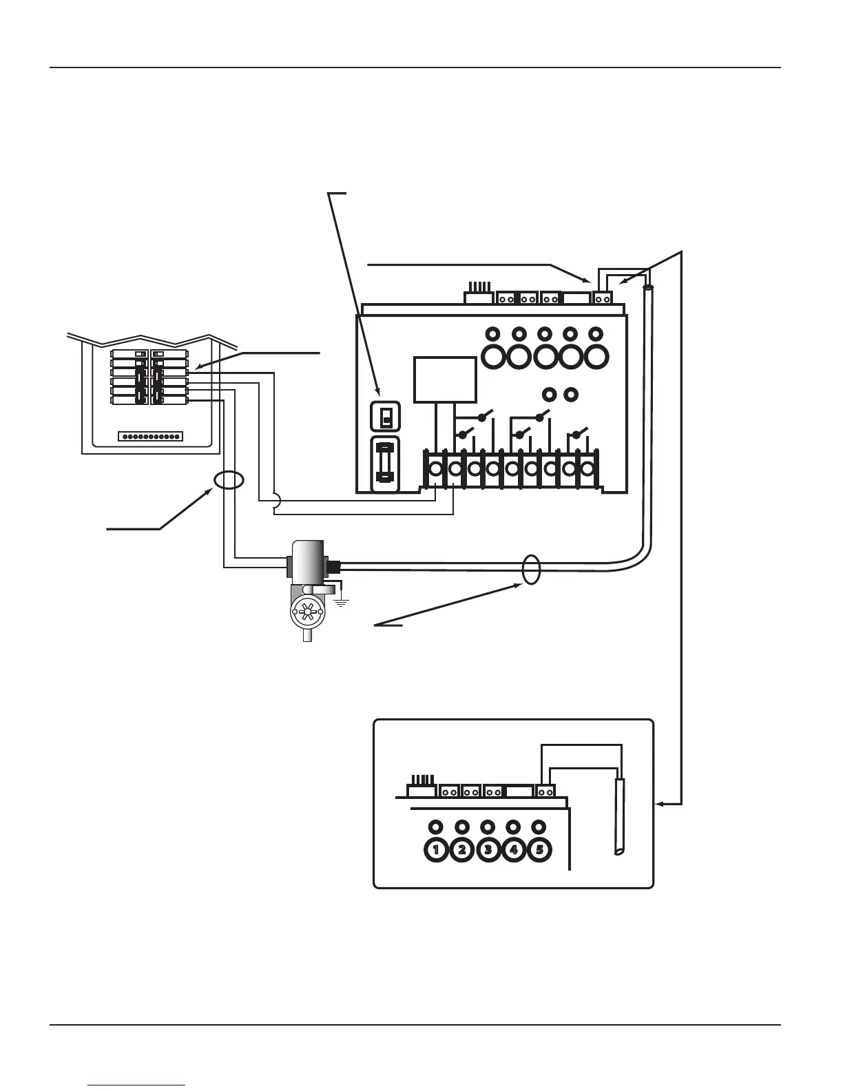
2-pole Breaker
GREEN
Select Breaker to match wire size
and load requirement. Observe
maximum control circuit capacity.
240 VAC
Variable Speed Pump
240 VAC
Pump
Make sure that voltage selector switch is in 240V
position before applying power to Terminals 1 & 2
NOTE:
The cable is Polarity Sensitive. Wires must be
connected as shown below for proper operation.
Jacketed Cable with Twist-lock Connector
supplied by pump manufacturer.
All IntelliFlo® & IntelliPro® VS & VF Pumps *
* IntelliFlo and IntelliPro are registered trademarks of Pentair Water Pool and Spa, Inc.
YELLOW
CABLE CONNECTION
POLARITY
1 2 3 4 5