EasyManua.ls Logo

Multi Wave PE653RC - 240 V 2-Speed Pump + 120 V Lights + 240 V Blower + Heater

Default Icon
83 pages
Print Icon
To Next Page IconTo Next Page
To Next Page IconTo Next Page
To Previous Page IconTo Previous Page
To Previous Page IconTo Previous Page
Loading...
30 Multi-Wave PE653-PE953 Installation Guide
Copyright © 2010 Intermatic, Inc.
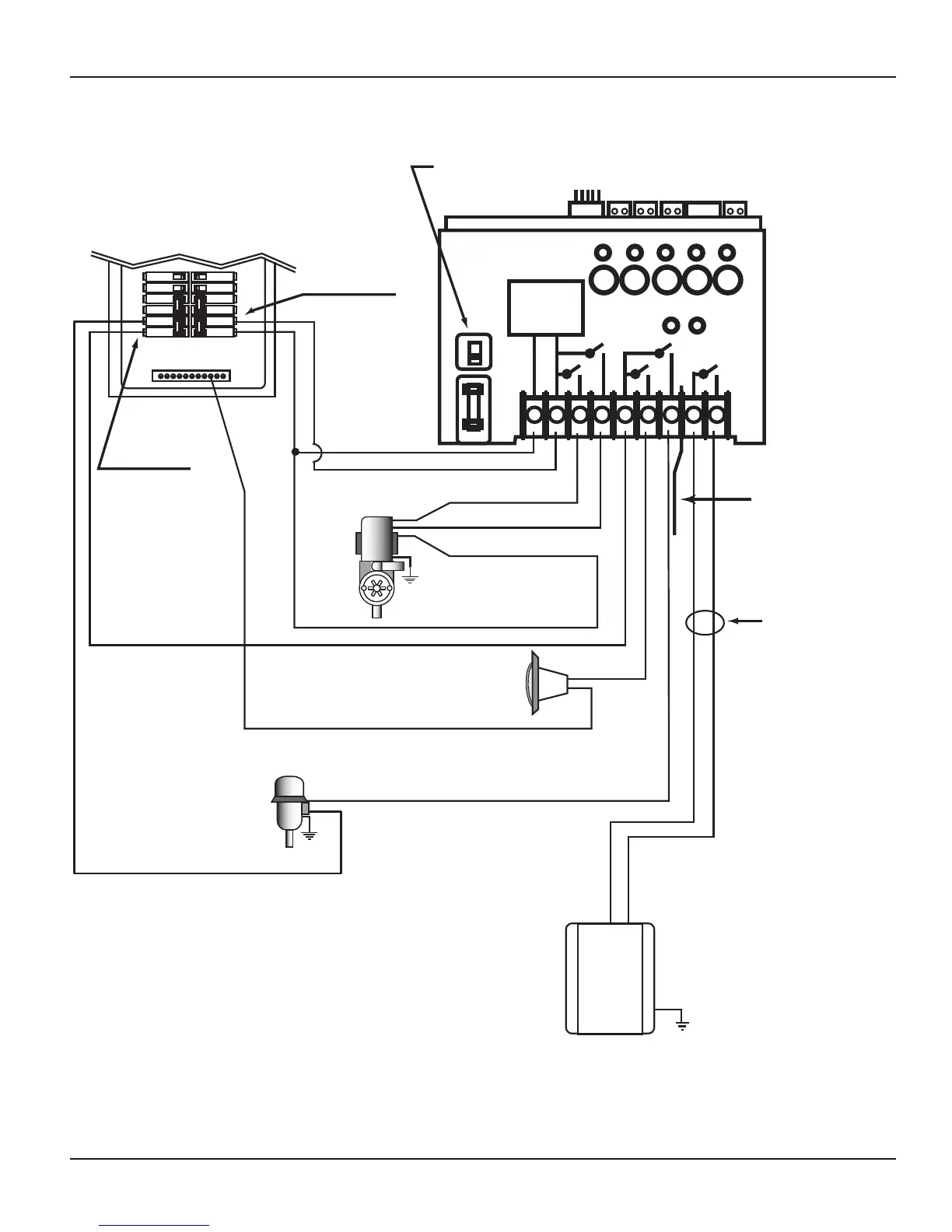
240V 2-speed pump + 120V lights + 240V blower + heater
Figure 3-17
NEUTRAL BUS
1 2 3 4 5 6 7 8 9
RECEIVER
POWER
SUPPLY
120V
240V
1 2 3 4 5
LOW
2-pole Breaker
2-pole Breaker
15 A. Max.
Select Breaker to match wire size
and load requirement. Observe
maximum control circuit capacity.
Heater Enable Circuit
(24 VAC Typical) MUST
connect to Terminals 8 & 9
on PE653 and to Fireman’s
Switch on the Heater
NOTE:
Refer to Heater manufacturer’s
installation instructions for
Heater installation and setup
NOTE:
Low Voltage
Divider provided
must be installed
for Heater circuit.
NOTE:
The combined load on Terminals 6 & 7
must NOT exceed 15 amps Resistive.
240 VAC
2-Speed
Pump
120 VAC
Lights
HIGH
COMMON
NOTE:
Wires must exit
through separate
opening from line
voltage wires. Use
shutter bushing
provided.
HEATER
# 1 Button
# 2 Button
# 3 Button
# 4 Button
# 5 Button
Make sure that voltage selector switch is in 240V
position before applying power to Terminals 1 & 2
240VAC
Blower

Table of Contents