EasyManua.ls Logo

Multi Wave PE653RC - 240 V 2-Speed Pump + 240 V Booster Pump + 120 V Light + Heater

Default Icon
83 pages
Print Icon
To Next Page IconTo Next Page
To Next Page IconTo Next Page
To Previous Page IconTo Previous Page
To Previous Page IconTo Previous Page
Loading...
Three: PE653 Receiving Device Installation 33
Providing a brighter solution.™
240V 2-speed pump + 240V booster pump + 120V light + heater
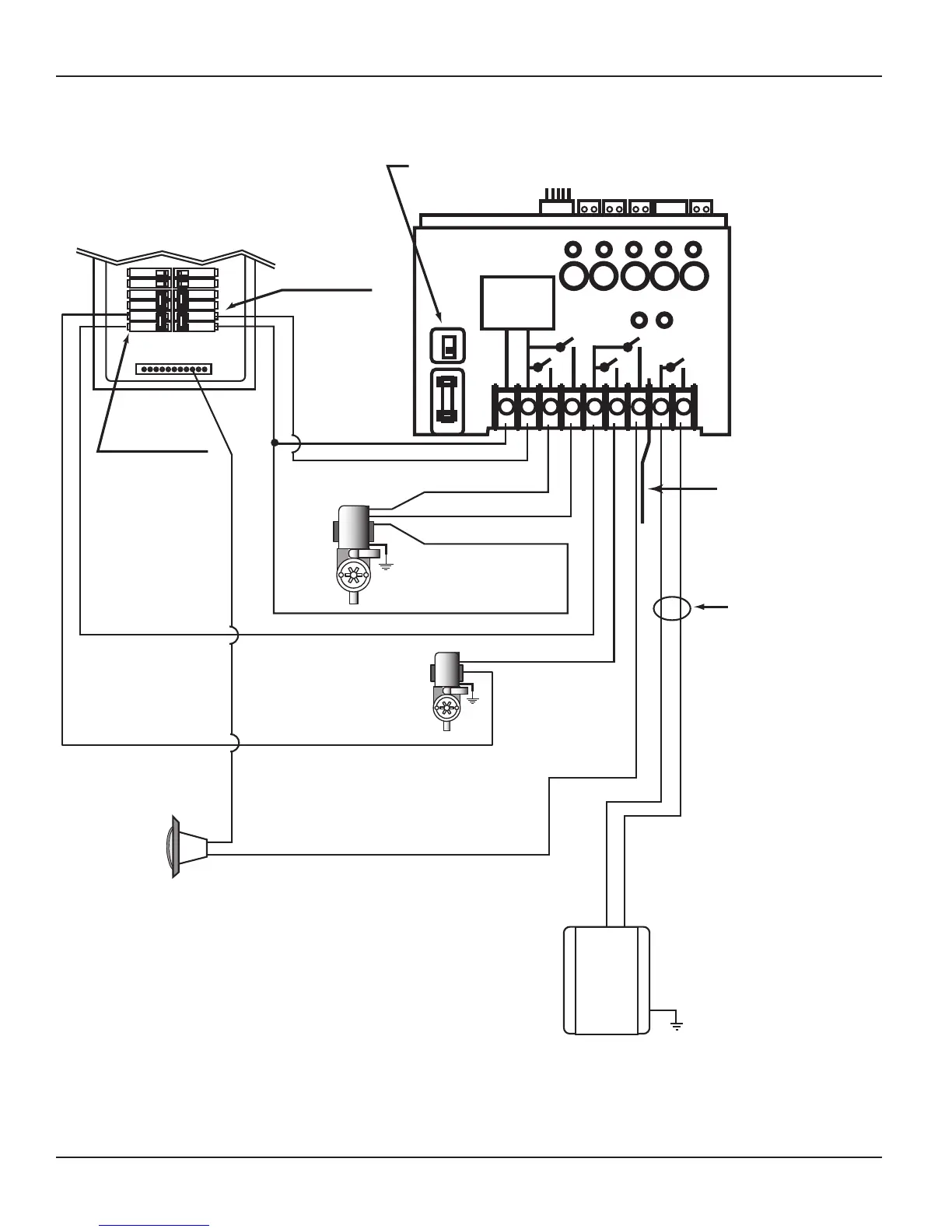
Figure 3-20
NEUTRAL BUS
1 2 3 4 5 6 7 8 9
RECEIVER
POWER
SUPPLY
120V
240V
1 2 3 4 5
LOW
2-pole Breaker
2-pole Breaker
15 A. Max.
Select Breaker to match wire size
and load requirement. Observe
maximum control circuit capacity.
Heater Enable Circuit
(24 VAC Typical) MUST
connect to Terminals 8 & 9
on PE653 and to Fireman’s
Switch on the Heater
NOTE:
Refer to Heater manufacturer’s
installation instructions for
Heater installation and setup
NOTE:
Low Voltage
Divider provided
must be installed
for Heater circuit.
NOTE:
The combined load on Terminals 6 & 7
must NOT exceed 15 amps Resistive.
240 VAC
Booster
120 VAC
Lights
240 VAC
2-Speed
Pump
HIGH
COMMON
NOTE:
Wires must exit
through separate
opening from line
voltage wires. Use
shutter bushing
provided.
HEATER
# 1 Button
# 2 Button
# 3 Button
# 4 Button
# 5 Button
Make sure that voltage selector switch is in 240V
position before applying power to Terminals 1 & 2

Table of Contents