EasyManua.ls Logo

Multi Wave PE653RC - 240 V 2-Speed Pump + any Three 240 VAC Auxiliary Equipment

Default Icon
83 pages
Print Icon
To Next Page IconTo Next Page
To Next Page IconTo Next Page
To Previous Page IconTo Previous Page
To Previous Page IconTo Previous Page
Loading...
Three: PE653 Receiving Device Installation 27
Providing a brighter solution.™
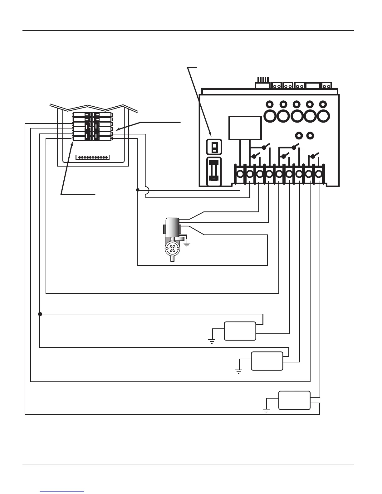
240V 2-speed pump + any three 240VAC auxiliary equipment
Figure 3-14
NEUTRAL BUS
1 2 3 4 5 6 7 8 9
RECEIVER
POWER
SUPPLY
120V
240V
1 2 3 4 5
LOW
2-pole Breaker
2-pole
Breakers
Select Breaker to match wire size
and load requirement. Observe
maximum control circuit capacity.
240 VAC
2-Speed
Pump
HIGH
COMMON
# 1 Button
# 2 Button
Make sure that voltage selector switch is in 240V
position before applying power to Terminals 1 & 2
240 VAC
240 VAC
240 VAC
Aux.
Aux.
Aux.
# 3 Button
# 4 Button
# 5 Button
NOTE:
The combined load on Terminals 6 & 7
must NOT exceed 15 amps Resistive.

Table of Contents