EasyManua.ls Logo

Multi Wave PE653RC - 1-Speed Pumps; 120 V 1-Speed Pump

Default Icon
83 pages
Print Icon
To Next Page IconTo Next Page
To Next Page IconTo Next Page
To Previous Page IconTo Previous Page
To Previous Page IconTo Previous Page
Loading...
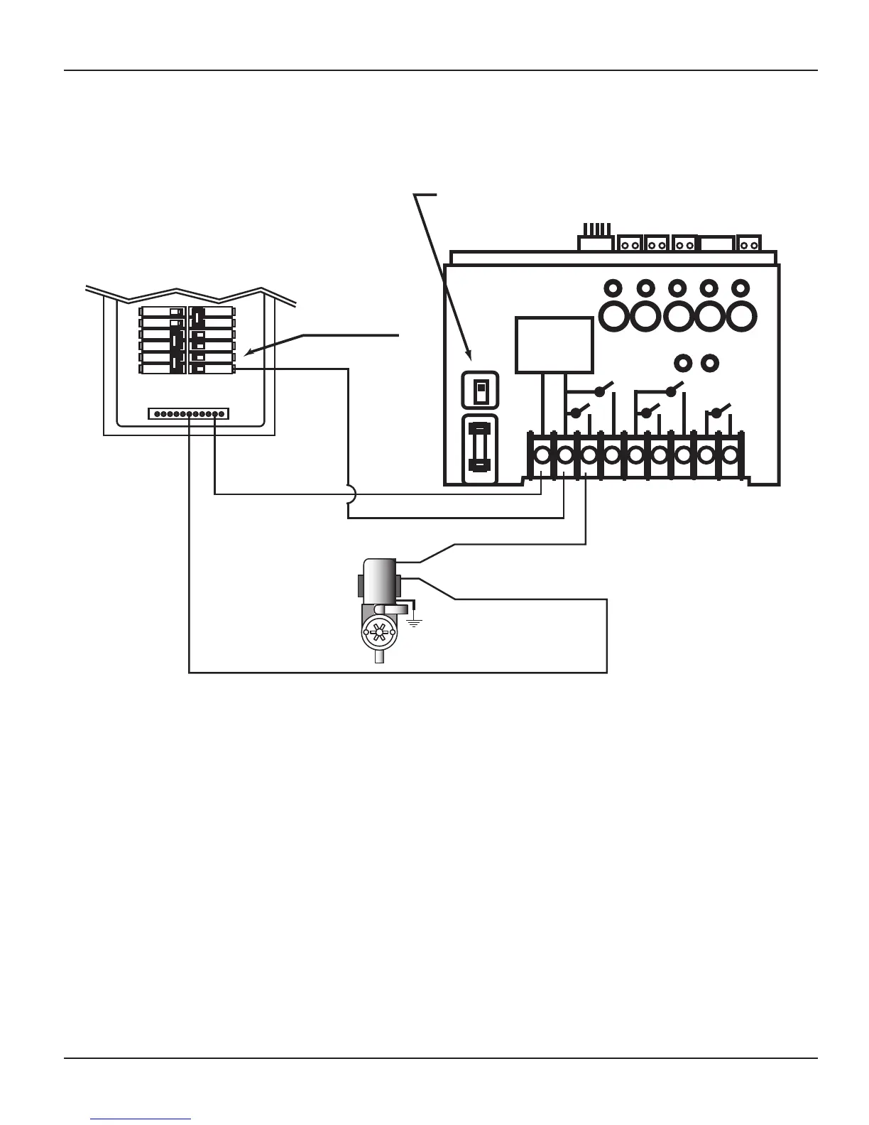
18 Multi-Wave PE653-PE953 Installation Guide
Copyright © 2010 Intermatic, Inc.
1-Speed Pumps
120V 1-speed pump
Figure 3-5
NEUTRAL BUS
Single pole
Breaker
Select Breaker to match wire size
and load requirement. Observe
maximum control circuit capacity.
120 VAC
1-Speed
Pump
HOT
NEUTRAL
# 1 Button
1
2 3 4 5 6 7 8 9
RECEIVER
POWER
SUPPLY
120V
240V
1 2 3 4 5
# 1 Button
Make sure that voltage selector switch is in 120V
position before applying power to Terminals 1 & 2

Table of Contents