EasyManua.ls Logo

MULTILIFT ULTIMA S - Page 39

Default Icon
62 pages
Print Icon
To Next Page IconTo Next Page
To Next Page IconTo Next Page
To Previous Page IconTo Previous Page
To Previous Page IconTo Previous Page
Loading...
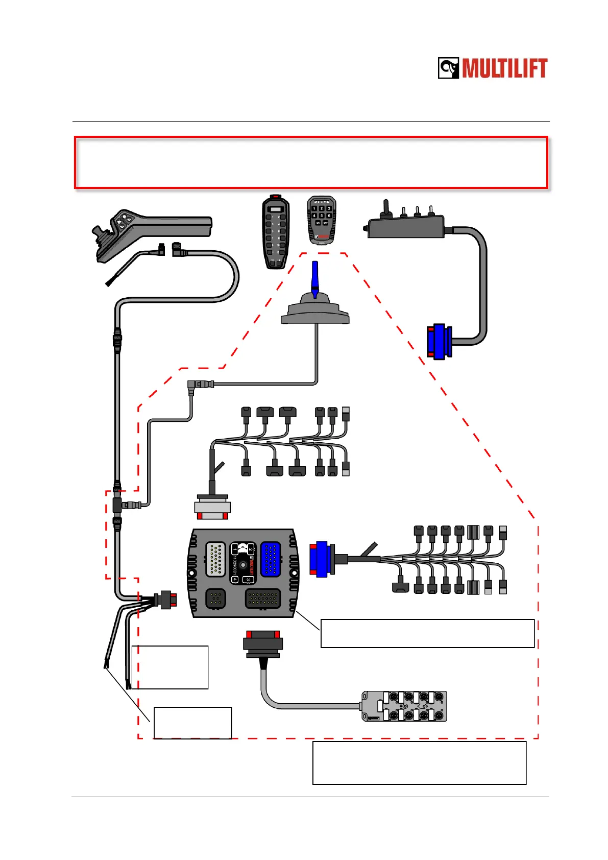
Installation
Ultima Hooklift 01/2020
39
Preinstalled
in the factory
Always check
the right polarity!
Before any welding job disconnect the connectors
from the I/O module!
Any self-made electrical connections to the cables,
wires and solenoids are strictly forbidden because
they might interfere the CAN signals!
(1)+
- (2)
Adapter cable
The 3.2 ft adapter cable must be connected to the control unit!
The control system does not work without it!
Truck interface
CAN cable

Table of Contents

Related product manuals