EasyManua.ls Logo

NEC PASOLINK - Functional Block Diagram of IDU in 1+1 System

NEC PASOLINK
110 pages
Print Icon
To Next Page IconTo Next Page
To Next Page IconTo Next Page
To Previous Page IconTo Previous Page
To Previous Page IconTo Previous Page
Loading...
ROI-S04488 FUNCTIONAL OPERATION
2-9/10
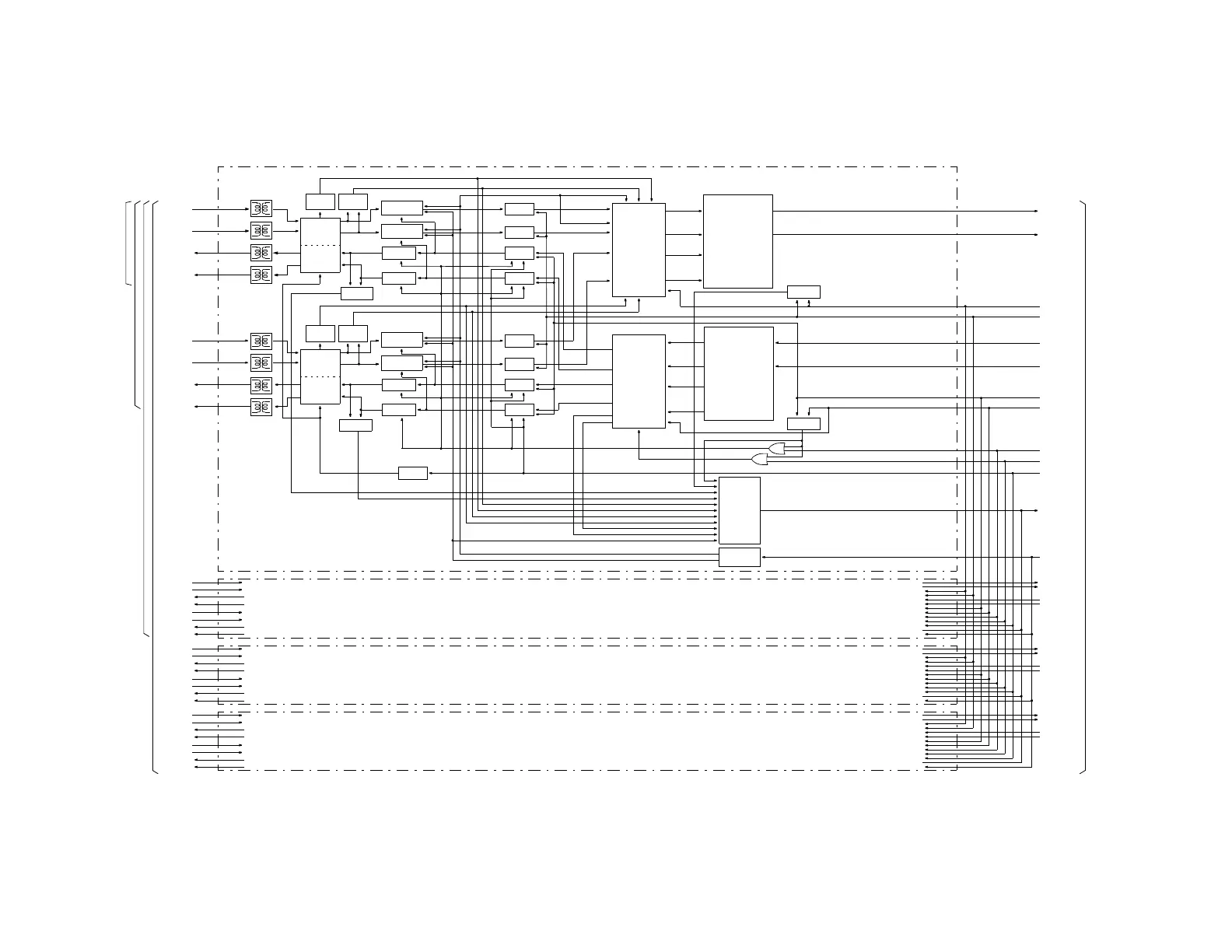
Fig. 2-2 Functional Block Diagram of IDU in 1+1 System (1/4)
CH1 IN
CH2 IN
CH1 OUT
CH2 OUT
4 × 2 MB
SYSTEM
8 × 2 MB
SYSTEM
16 × 2 MB
SYSTEM
PLS
B-U
AIS
U-B
LOOPBACK
CONV
CONV
MON DET
CKT
LOOPBACK
CKT
AIS CTRL
AIS CTRL
PLS MON
OUTPUT LOSS 1-2
PLS AIS
MON DET
CH3 IN
CH4 IN
CH3 OUT
CH4 OUT
B-U
U-B
CONV
CONV
PLS MON
AIS CTRL
AIS CTRL
LOOPBACK
CKT
LOOPBACK
CKT
1/8
MEM
MEM
MEM
MEM
MEM
MEM
MEM
MEM
MUX
DEMUX
FE LB CTRL 1-4
FE LB ANS 1-4
P-S CONV
TX CLK LOSS
RX CLK LOSS
S-P CONV
CLK MON
CLK MON
OUTPUT LOSS 1-2
OUTPUT LOSS 3-4
AIS RCVD 3-4
INPUT LOSS 3-4
FE LB CTRL 1-4
FE LB ANS 1-4
NE LB ANS 1-4
AIS RCVD 1-2
INPUT LOSS 1-2
SERIAL ALM
SERIAL DATA
P-S
CONV
S-P
CONV
FE LB CTRL 1-4
NE LB CTRL 1-4
a
b
t
s
q
v
u
j
i
r
c
d
k
l
e
f
m
n
o
p
g
h
CH5 IN
CH6 IN
CH5 OUT
CH6 OUT
CH7 IN
CH8 IN
CH7 OUT
CH8 OUT
CH9 IN
CH10 IN
CH9 OUT
CH10 OUT
CH11 IN
CH12 IN
CH11 OUT
CH12 OUT
CH13 IN
CH14 IN
CH13 OUT
CH14 OUT
CH15 IN
CH16 IN
CH15 OUT
CH16 OUT
(SAME AS ABOVE)
INTFC SECTION (CH13 - CH16)
(SAME AS ABOVE)
INTFC SECTION (CH5 - CH8)
(SAME AS ABOVE)
INTFC SECTION (CH9 - CH12)
INTFC SECTION (CH1 - CH4)
TX FPLS
TX CLK
RX CLK
RX FPLS
12M CLK
AIS CTRL
F SYNC ALM
INPUT LOSS 1-2
AIS RCVD 1-2
INPUT LOSS 3-4
AIS RCVD 3-4
FROM/TO
FIG. 2-2 (2/4)
y
w
x
2 × 2 MB
SYSTEM

Table of Contents

Related product manuals