EasyManua.ls Logo

NEC PASOLINK - Functional Block Diagram of the ODU

NEC PASOLINK
110 pages
Print Icon
To Next Page IconTo Next Page
To Next Page IconTo Next Page
To Previous Page IconTo Previous Page
To Previous Page IconTo Previous Page
Loading...
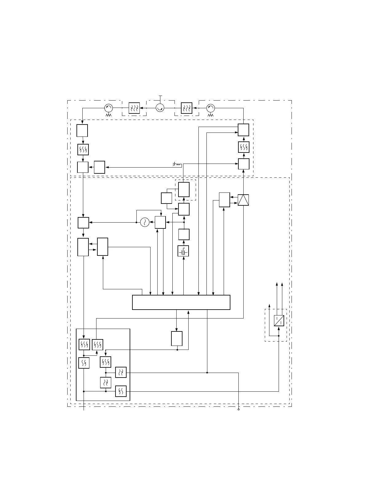
FUNCTIONAL OPERATION ROI-S04605
2-2
MIX
MPX
ALM
RX IF F DATA
TX F DATA
SYNTH IF ALM
SYNTH RF ALM
RX IF LEV MON
T PWR MON
T PWR CTRL
TX IF LEV MON
MAIN
IF AMP
AGC
MIX
20 MHz
AGC
AMP
IF
IDU)
(TO/FROM
-7 V
RX LEV
MON
IF:850 MHz
IF:70 MHz
RF CKT
RF
IN/OUT
IF CKT
Fig. 2-1 Functional Block Diagram of the ODU
+7 V
MIX
LO
AMP
RF
AMP
RF
AMP
TRX
VCO
PD
1/2
PD
1/2
(EOW)
PS
VCO
-40 V
-40 V
TX IF LEV CTRL
RX IF LEV CTRL
CPU

Table of Contents

Related product manuals