EasyManua.ls Logo

Nidec NE200 - Page 243

Nidec NE200
244 pages
Print Icon
To Next Page IconTo Next Page
To Next Page IconTo Next Page
To Previous Page IconTo Previous Page
To Previous Page IconTo Previous Page
Loading...
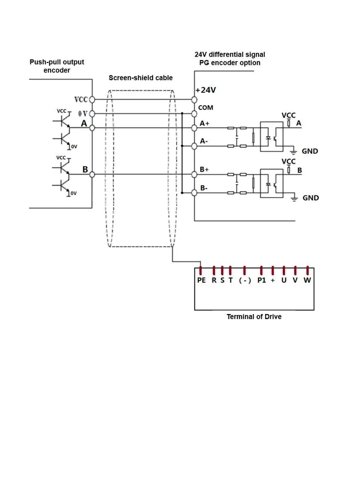
Fig. C-7 Push-pull encoder wiring diagram
24V

Table of Contents

Related product manuals