EasyManua.ls Logo

Nidec NE200 - 5 V differential signal PG encoder option

Nidec NE200
244 pages
Print Icon
To Next Page IconTo Next Page
To Next Page IconTo Next Page
To Previous Page IconTo Previous Page
To Previous Page IconTo Previous Page
Loading...
NE200/300 Series Drive User Manual
218 Appendix B: Adapted Encoder Instruction
Fig. D-3 Drain connection wiring diagram
(Using internal +24V)
NPN common-emitter connection wiring
(Using internal +24V)
Note:
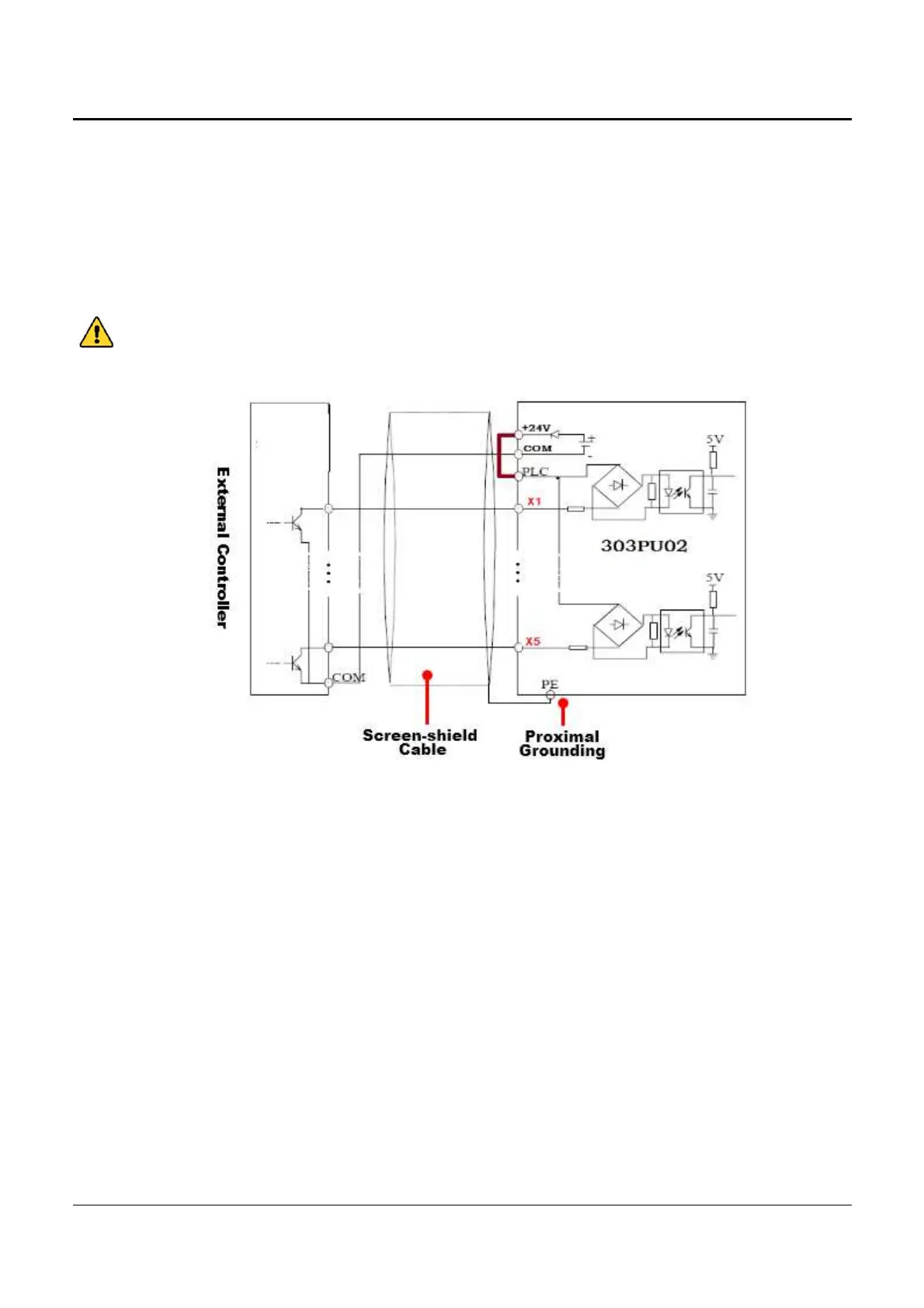
Short-connect PLC and +24V
Fig. D-4 NPN common-emitter connection wiring
(Using internal +24V)
CAN
non-standard protocol instruction
CAN ID1 transmitting and receiving data format is constant as Table D-1.
Adjust to decrease interval time, suggest within 1.5ms, of host transmitting, to
increase interval time of slaver device.

Table of Contents

Related product manuals