EasyManua.ls Logo

Nidec NE200 - Page 47

Nidec NE200
244 pages
Print Icon
To Next Page IconTo Next Page
To Next Page IconTo Next Page
To Previous Page IconTo Previous Page
To Previous Page IconTo Previous Page
Loading...
NE200/300 Series Drive User Manual
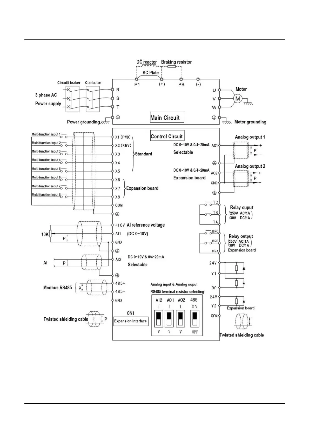
38 Chapter 3 Wiring of Drive
3.6.2 Control Terminal Wiring of NE300
Fig 3-12 Control Terminal Wiring of NE300

Table of Contents

Related product manuals