EasyManua.ls Logo

NTI TRINITY Ts80 - Page 34

Default Icon
76 pages
Print Icon
To Next Page IconTo Next Page
To Next Page IconTo Next Page
To Previous Page IconTo Previous Page
To Previous Page IconTo Previous Page
Loading...
Trinity Ts Installation and Operation Instructions Ts Series
34
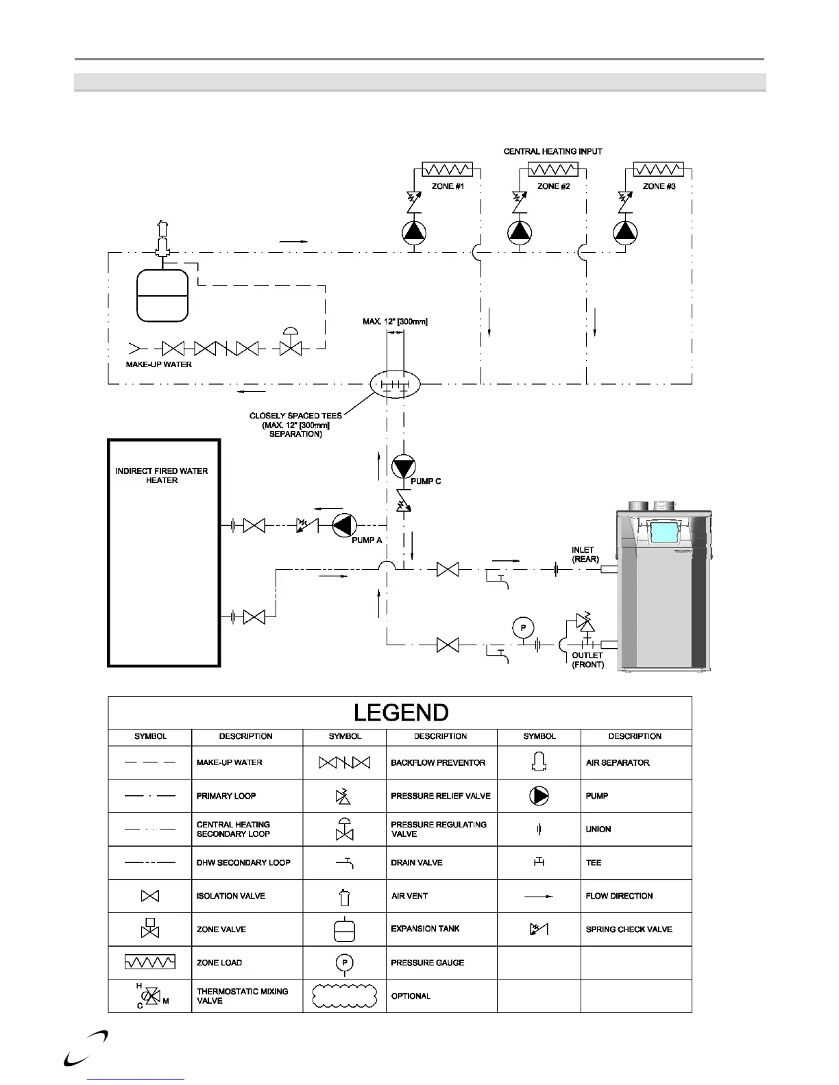
Figure 10-3 Ts80 Model
Boiler Plumbing Primary/Secondary Loop
(Multiple System Circulator Configuration)

Table of Contents

Related product manuals