EasyManua.ls Logo

NTI TRINITY Ts80 - Boiler Plumbing Primary;Secondary Loop Diagram

Default Icon
76 pages
Print Icon
To Next Page IconTo Next Page
To Next Page IconTo Next Page
To Previous Page IconTo Previous Page
To Previous Page IconTo Previous Page
Loading...
Ts Series Installation and Operation Instructions Trinity Ts
33
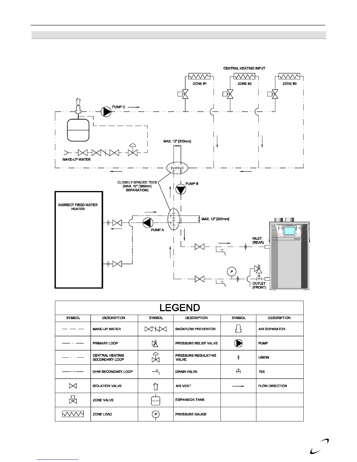
Figure 10-2 Ts80 Model
Boiler Plumbing Primary/Secondary Loop
(Single System Circulator Configuration)

Table of Contents

Related product manuals