EasyManua.ls Logo

NTI TRINITY Ts80 - Ladder;Logic Diagram

Default Icon
76 pages
Print Icon
To Next Page IconTo Next Page
To Next Page IconTo Next Page
To Previous Page IconTo Previous Page
To Previous Page IconTo Previous Page
Loading...
Trinity Ts Installation and Operation Instructions Ts Series
40
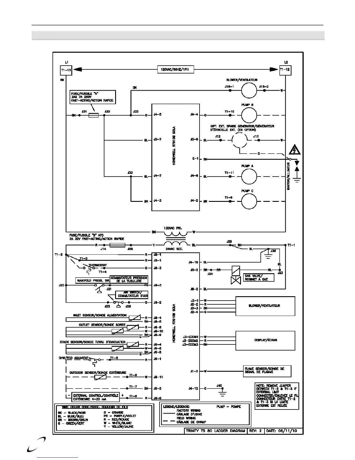
Figure 12-1(b) Ts80
Ladder/Logic Diagram

Table of Contents

Related product manuals