EasyManua.ls Logo

NTI TRINITY Ts80 - Connection Diagram; Wiring Schematics

Default Icon
76 pages
Print Icon
To Next Page IconTo Next Page
To Next Page IconTo Next Page
To Previous Page IconTo Previous Page
To Previous Page IconTo Previous Page
Loading...
Ts Series Installation and Operation Instructions Trinity Ts
39
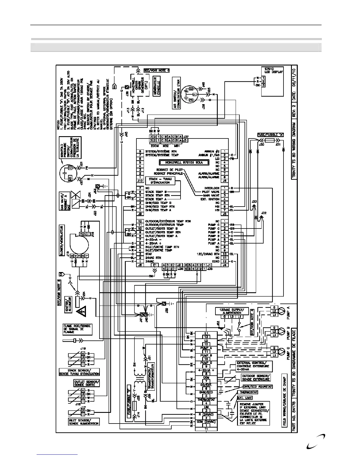
12.0 WIRING SCHEMATICS
Figure 12-1(a) Ts80
Connection Diagram

Table of Contents

Related product manuals