EasyManua.ls Logo

NTI VM110 - Vmax Connection Diagram; Wiring Schematics

NTI VM110
80 pages
Print Icon
To Next Page IconTo Next Page
To Next Page IconTo Next Page
To Previous Page IconTo Previous Page
To Previous Page IconTo Previous Page
Loading...
Wiring Schematics Vmax I&O Manual
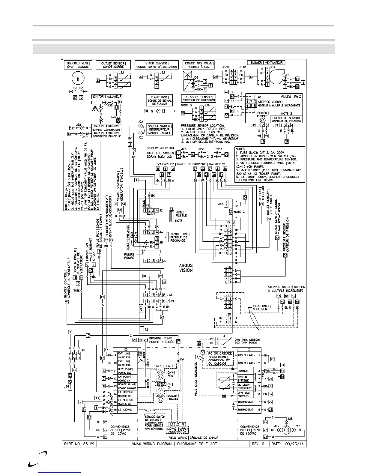
14.0 WIRING SCHEMATICS
Figure 14-1 Vmax Connection Diagram

Table of Contents

Related product manuals