EasyManua.ls Logo

Nu-Vu SUB-123 - Electrical Schematics

Nu-Vu SUB-123
66 pages
Print Icon
To Next Page IconTo Next Page
To Next Page IconTo Next Page
To Previous Page IconTo Previous Page
To Previous Page IconTo Previous Page
Loading...
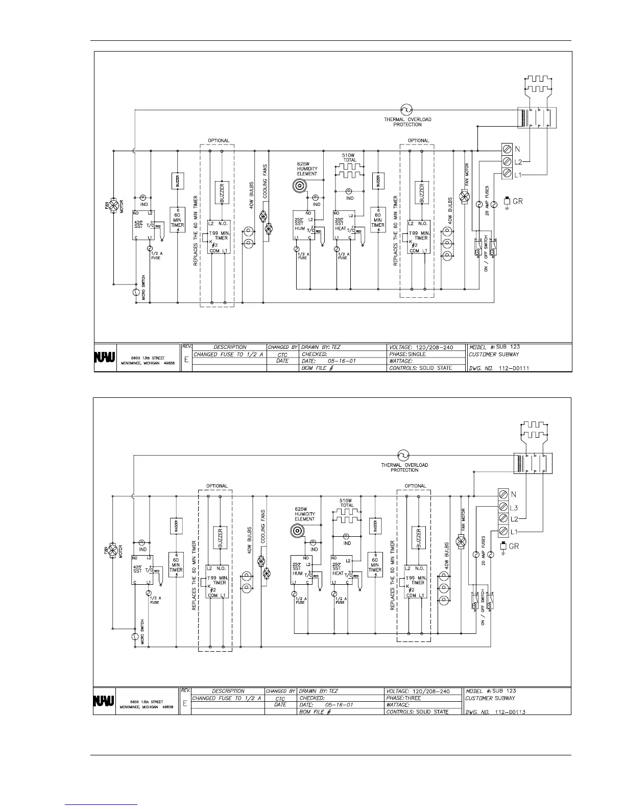
SUB–123 OWNER'S MANUAL ELECTRICAL SCHEMATICS
NU-VU
®
FOOD SERVICE SYSTEMS MENOMINEE MICHIGAN 49858-0035
(800) 338-9886 Sales Fax (906) 863-5889 Service Fax (906) 863-6322 page
51
NU−VU Food Service Systems
NU−VU Food Service S
y
stems

Table of Contents

Related product manuals