EasyManua.ls Logo

Nu-Vu SUB-123 - Page 65

Nu-Vu SUB-123
66 pages
Print Icon
To Next Page IconTo Next Page
To Next Page IconTo Next Page
To Previous Page IconTo Previous Page
To Previous Page IconTo Previous Page
Loading...
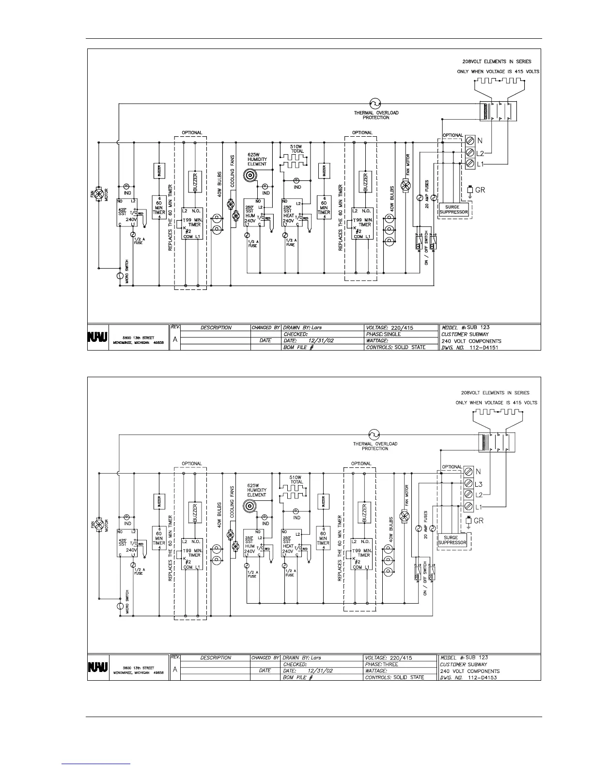
SUB–123 OWNER'S MANUAL ELECTRICAL SCHEMATICS
NU−VU Food Service Systems
NU−VU Food Service S
y
stems
NU-VU
®
FOOD SERVICE SYSTEMS MENOMINEE MICHIGAN 49858-0035
(800) 338-9886 Sales Fax (906) 863-5889 Service Fax (906) 863-6322 page
57

Table of Contents

Related product manuals