EasyManua.ls Logo

NXP Semiconductors MPC5777C - Reset Circuitry on Daughter Card; MCU External Clock Circuit

NXP Semiconductors MPC5777C
60 pages
To Next Page IconTo Next Page
To Next Page IconTo Next Page
To Previous Page IconTo Previous Page
To Previous Page IconTo Previous Page
Loading...
Board Interface Connector
MPC5777C EVB User Guide, Rev. 1
34 NXP Semiconductors
5.2 Reset Circuit
To enable standalone use, the reset circuitry is placed on the daughter card. It consists of a reset
switch (SW2) that is connected to reset pins RESET_B via jumpers. It is also connected to the signal
RST-SW_B that is connected to the mother board to reset peripherals and RST_B from PowerSBC is
connected to MCU RESET_B via jumper in order to assert RESET from PowerSBC. RSTOUT_B
from MCU is connected with LED to indicate the individual reset situations.
Due to the existence of chip internal Low Voltage Detect (LVD) and High Voltage Detect (HVD)
circuits the EVB does not provide external voltage monitoring.
The EVB reset circuit provides the following functionality: It is indicated if the device is in reset
through the red LED D8. The reset switch SW2 can be used to reset the MCU. The reset switch signal
is connected to the MCU reset signals RESET (through jumper J27) and the connections can be
released by lifting the respective jumper. Pushing the reset switch will also reset peripherals that are
connected to the board reset signal RST-SW. Orange LED D10 indicates when this signal is driven
low by the reset switch (SW2).
Additionally Power SBC has option to reset the MCU by setting jumper J523 (3-4). Various jumpers
setting to reset MCU are detailed in Table 19.
Table 192:
Reset circuit jumper settings
Jumper
Description
Jumper Setting
J27
Connect reset switch circuit
to RESET pin
1-2: connect to MCU RESET_B
J523
Connect Power SBC reset
to MCU Reset
3-4: SBC_RSTB connect to RESET_B
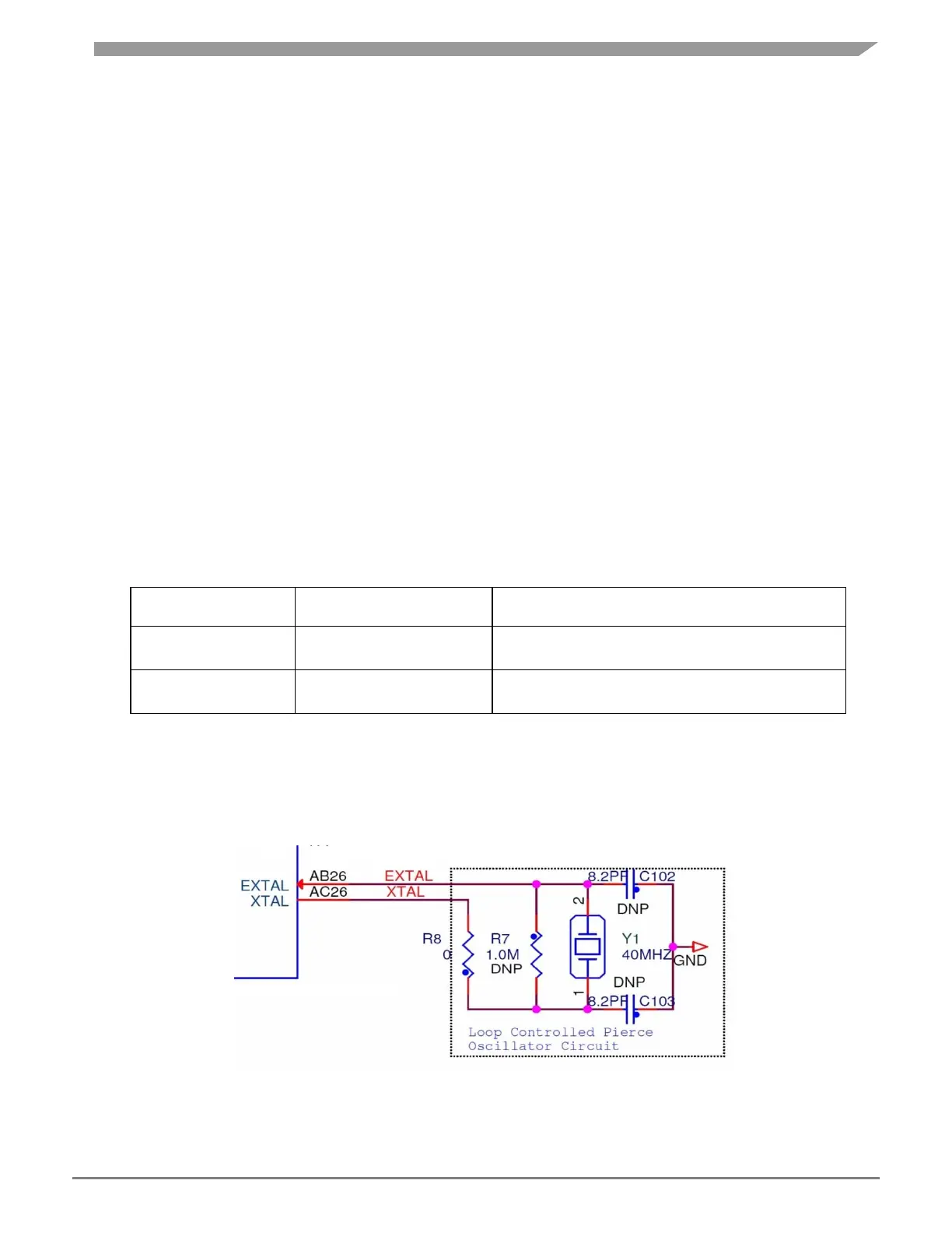
5.3 MCU External Clock Circuit
In addition to the internal 16 MHz oscillator, the MCU can also be clocked by external oscillator (Y1).
The clock circuitry for the 40 MHz crystal is shown in Figure 24.
Figure 24: 40 MHz crystal circuit

Table of Contents

Other manuals for NXP Semiconductors MPC5777C

Related product manuals