EasyManua.ls Logo

OEC 9600 - Page 10

OEC 9600
40 pages
Print Icon
To Next Page IconTo Next Page
To Next Page IconTo Next Page
To Previous Page IconTo Previous Page
To Previous Page IconTo Previous Page
Loading...
9600 Periodic Maintenance Procedure 00-880606-02
Page 10
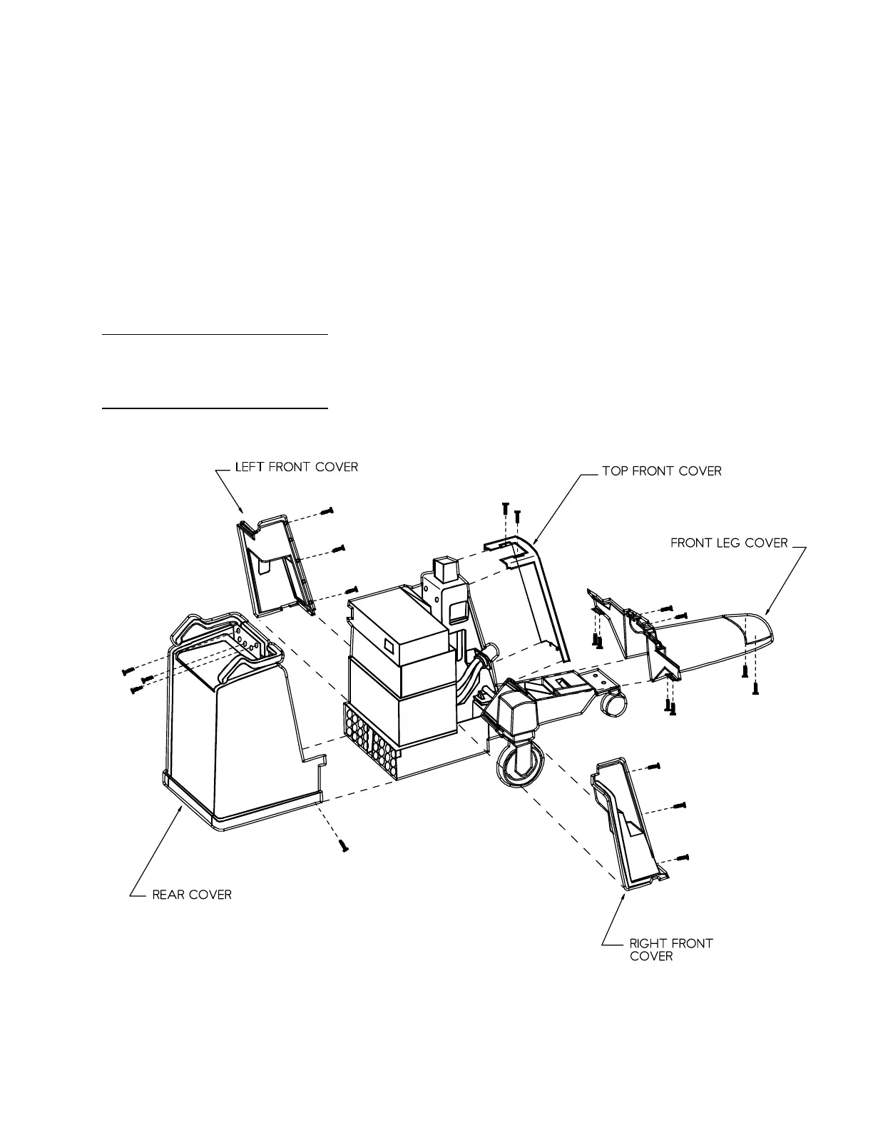
3. C-Arm cover removal is different for (older) systems without center pivot steering and those (newer)
systems equipped with center pivot steering.
For older systems without center pivot steering: remove the front leg cover, right front cover, left
front cover, top front cover, and rear cover. Refer to 9600 System Service Manual (and see the
illustration below).
For newer systems with center pivot steering: remove the front leg cover, right front cover, left front
cover, and top front cover. Then loosen the 2 upper set screws on the steering shafts’ compression
coupler so the upper shaft is disconnected from the lower shaft and the rear cover can be removed
freely, then remove the rear cover. Refer to 9600 System Service Manual (and see the illustration,
next page).
Removing the Mobile C-Arm
covers, old system without center
pivot steering

Table of Contents

Related product manuals