EasyManua.ls Logo

Omron R88D-KN series

Omron R88D-KN series
570 pages
To Next Page IconTo Next Page
To Next Page IconTo Next Page
To Previous Page IconTo Previous Page
To Previous Page IconTo Previous Page
Loading...
1-13
1 Features and System Configuration
G5 Series AC Servo Drives With Built-in EtherCAT Communications, Linear Motor Type
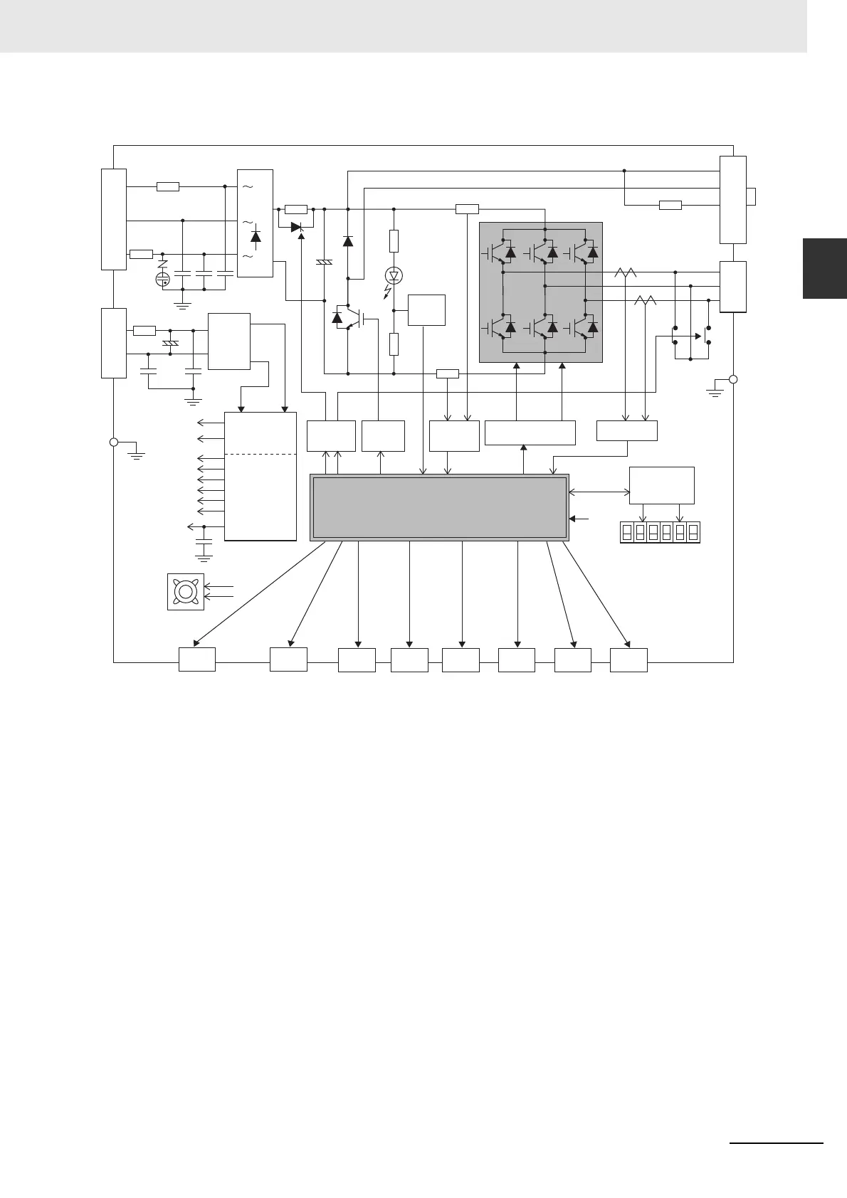
1-4 System Block Diagram
1
R88D-KN30F-ECT-L/-KN50F-ECT-L
GR GR
0 V
24 V
L3
L2
L1
FUSE
FUSE
FUSE
TB2
TB1
15 V
G1
5 V
2.5 V
1.5 V
E5 V
G2
3.3 V
GR
CN2 CN4 CN5 CN7
B1
B2
B3
NC
TB2
TB2
U
V
W
CN8 CN1
DC-DC
Display and
setting circuit
area
Gate drive
SW power
supply main
circuit control
Internal
control power
supply
+
+
±12 V
Overcurrent
detection
Current detection
Voltage
detection
Regeneration
control
Relay
drive
Control
interface
MPU & ASIC
Position, speed, and force calculation control area
• PWM control
Not used.
External
encoder
Analog
monitor
USB
Safety
Internal Regeneration Resistor
Axial-flow fan
+
ECAT
IN
ECAT
OUT
EtherCAT
communications
connector
EtherCAT
communications
connector

Table of Contents

Related product manuals