EasyManua.ls Logo

Onkyo TX-SR806 AV Reciever

Onkyo TX-SR806 AV Reciever
242 pages
To Next Page IconTo Next Page
To Next Page IconTo Next Page
To Previous Page IconTo Previous Page
To Previous Page IconTo Previous Page
Loading...
Es-29
Conectar el Receptor de AV—Continúa
Con esta conexión, puede usar el receptor de satélite o cable para oír sus programas de televisión
preferidos mediante el Receptor de AV, lo cual es útil si su televisor no tiene salidas de audio.
Con la conexión , puede escuchar y grabar sonido de una fuente de vídeo y escucharlo en la Zona 2.
Para disfrutar de Dolby Digital y DTS, use la conexión o . (Use y , o y para la grabación o para
escucharlo en la Zona 2)
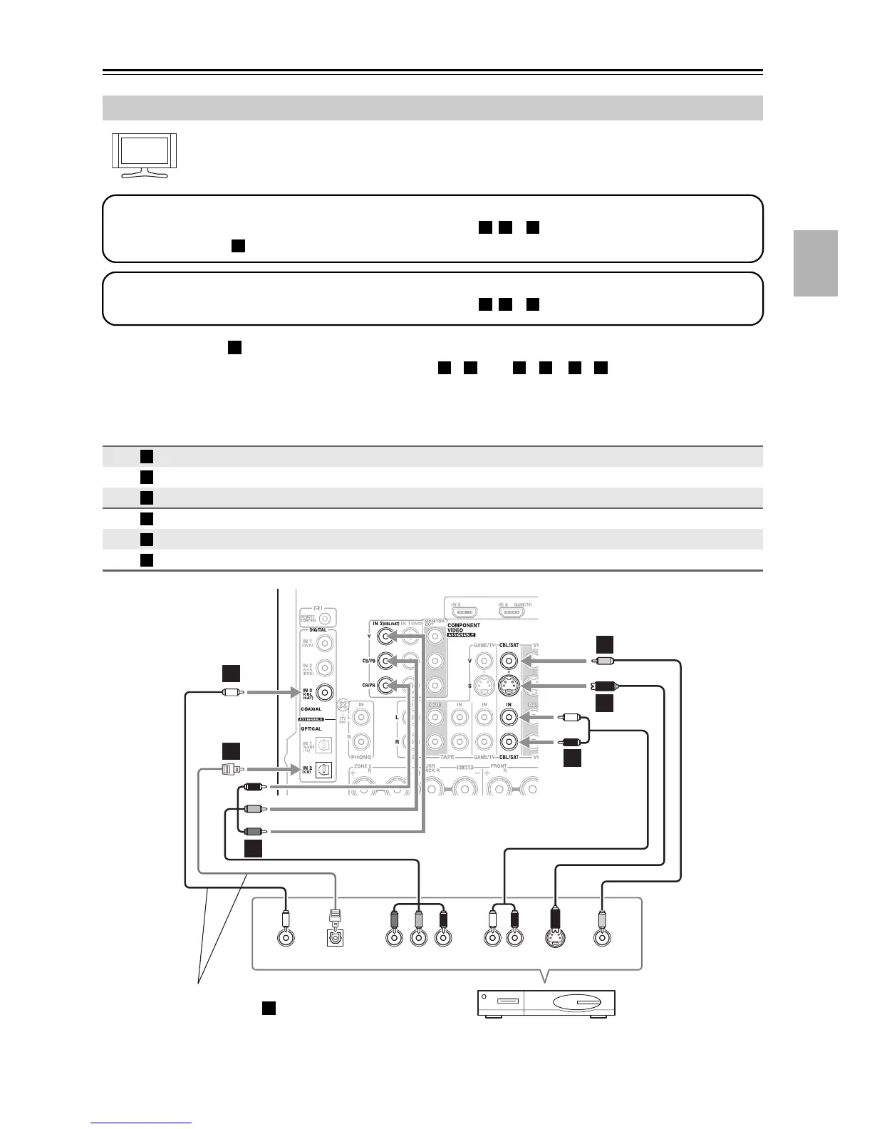
Conectar una fuente de vídeo Satélite, Cable, Set-top box y otras
Conexión Receptor de AV
Flujo de
señal
Fuente de vídeo
COMPONENT VIDEO IN 2 (CBL/SAT) Salida vídeo componente
CBL/SAT IN S Salida S-vídeo
CBL/SAT IN V Salida vídeo compuesto
CBL/SAT IN L/R Salida L/R audio analógico
DIGITAL COAXIAL IN 3 (CBL/SAT) Salida coaxial digital
DIGITAL OPTICAL IN 2 (CD) Salida óptica digital
¡Sugerencia!
Paso 1: conexión de vídeo
Elija una conexión de vídeo que coincida con su fuente de vídeo ( , o ), y después haga la conexión.
Si se usa la conexión , hay que conectar el Receptor de AV al televisor mediante el mismo tipo de conexión.
A B C
A
Paso 2: conexión de audio
Elija una conexión de audio que coincida con su fuente de vídeo ( , o ), y después haga la conexión.
a b c
a
b c a b a c
A
B
C
a
b
c
YCOAXIAL
OUT
PB
COMPONENT VIDEO OUT
P
R S VIDEO
OUT
AUDIO
OUT
VIDEO
OUT
LR
OPTICAL
OUT
b
c
A
B
C
B
a
C
Satélite, cable, set-top box, etc.
Conectar uno de los dos
Se debe asignar la conexión (consulte la página 45)
c

Table of Contents

Related product manuals