EasyManua.ls Logo

Onkyo TX-SR806 AV Reciever

Onkyo TX-SR806 AV Reciever
242 pages
To Next Page IconTo Next Page
To Next Page IconTo Next Page
To Previous Page IconTo Previous Page
To Previous Page IconTo Previous Page
Loading...
Es-30
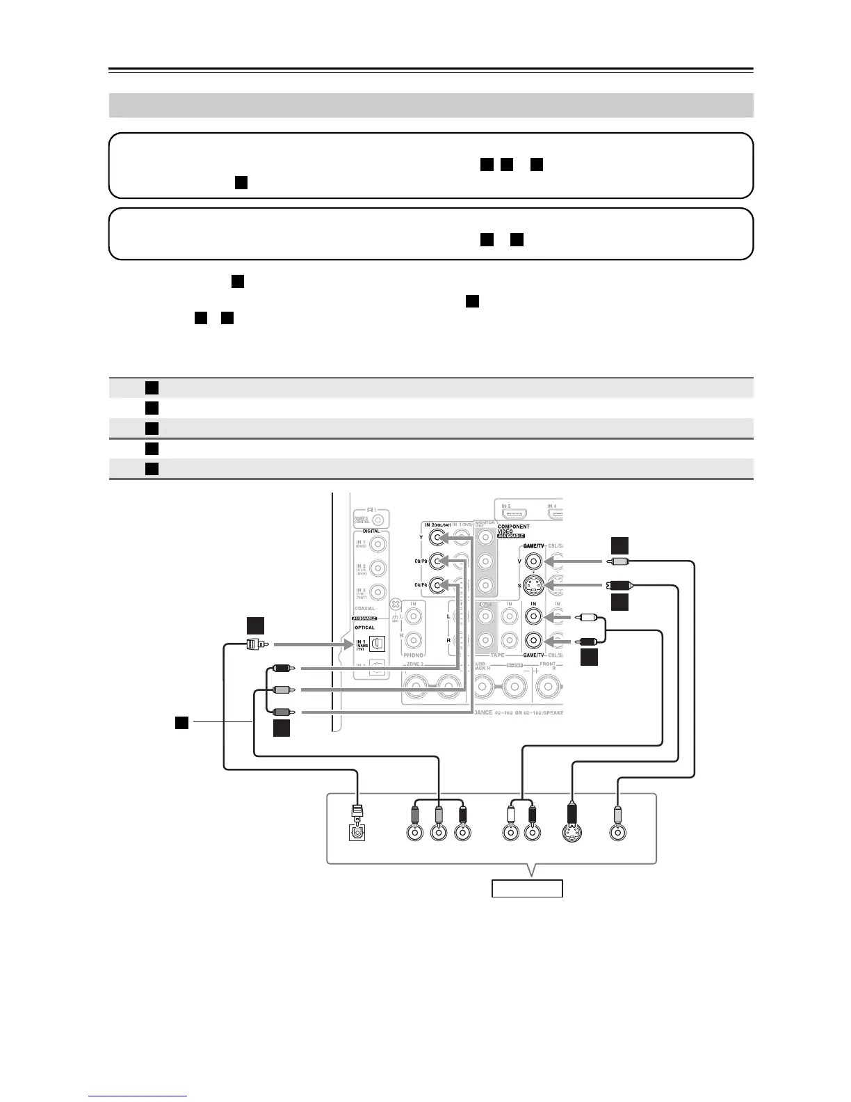
Conectar el Receptor de AV—Continúa
Con la conexión , se puede escuchar y grabar audio desde la consola de juegos o escuchar en la Zona 2.
Para disfrutar de Dolby Digital y DTS, utilícese la conexión . (Para grabar o escuchar en la Zona 2 también,
utilícense y .)
Conexión de una consola de juegos
Conexión Receptor de AV
Flujo de
señal
Consola de juegos
COMPONENT VIDEO IN 2 (CBL/SAT) Salida vídeo componente
GAME/TV IN S Salida S-vídeo
GAME/TV IN V Salida vídeo compuesto
GAME/TV IN L/R Salida L/R audio analógico
DIGITAL OPTICAL IN 1 (GAME/TV) Salida óptica digital
Paso 1: conexión de vídeo
Elija la conexión de vídeo correspondiente a la consola de juegos ( , , o ) y establezca la conexión.
Si se usa la conexión , hay que conectar el Receptor de AV al televisor mediante el mismo tipo de conexión.
A B C
A
Paso 2: conexión de audio
Elija la conexión de audio correspondiente a la consola de juegos ( , o ) y establezca la conexión.
a b
a
b
a b
A
B
C
a
b
YPB
COMPONENT VIDEO OUT
P
R S VIDEO
OUT
AUDIO
OUT
VIDEO
OUT
LR
OPTICAL
OUT
b
A
B
C
B
a
C
Consola de juegos
Se debe
asignar la
conexión
(consulte la
página 44)
A

Table of Contents

Related product manuals