EasyManua.ls Logo

Onkyo TX-SR806 AV Reciever

Onkyo TX-SR806 AV Reciever
242 pages
To Next Page IconTo Next Page
To Next Page IconTo Next Page
To Previous Page IconTo Previous Page
To Previous Page IconTo Previous Page
Loading...
Fr-29
Branchement de l’ampli-tuner AV—Suite
Grâce à ce raccordement, vous pouvez vous servir de l’ampli-tuner satellite ou câble pour suivre vos
programmes télévisés préférés via l’ampli-tuner AV. Ceci est utile si votre téléviseur n’a pas de sorties
audio.
Avec un branchement , vous pouvez écouter et enregistrer les données audio venant de la source vidéo et les
écouter en Zone 2.
Pour profiter du son Dolby Digital et DTS, utilisez un branchement ou . (Utilisez et ou et pour
l’enregistrement ou l’écoute dans la zone 2.)
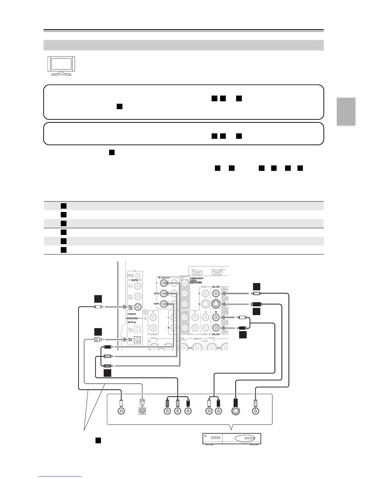
Branchement à un tuner satellite/câble, décodeur, ou autre source vidéo
Remarque !
Branchement Ampli-tuner AV
Flux du
signal
Source vidéo
COMPONENT VIDEO IN 2 (CBL/SAT) Sortie vidéo composantes
CBL/SAT IN S Sortie S-vidéo
CBL/SAT IN V Sortie vidéo composite
CBL/SAT IN L/R Sortie analogique audio L/R
DIGITAL COAXIAL IN 3 (CBL/SAT) Sortie numérique coaxiale
DIGITAL OPTICAL IN 2 (CD) Sortie numérique optique
Point 1 : branchement vidéo
Sélectionnez un branchement vidéo correspondant à la source vidéo ( , , ou ), puis effectuez le branchement.
Si vous utilisez la connexion , vous devez brancher l’ampli-tuner AV à votre téléviseur avec le même type de
connexion.
A B C
A
Point 2 : branchement audio
Sélectionnez un branchement audio correspondant à la source vidéo ( , , ou ), puis effectuez le branchement.
a b c
a
b c a b a c
A
B
C
a
b
c
YCOAXIAL
OUT
PB
COMPONENT VIDEO OUT
P
R S VIDEO
OUT
AUDIO
OUT
VIDEO
OUT
LR
OPTICAL
OUT
b
c
A
B
C
B
a
C
Tuner satellite/câble, décodeur, etc.
Utilisez l’une des deux prises
Le branchement doit être attribué (voyez page 45)
c

Table of Contents

Related product manuals