EasyManua.ls Logo

Opsis LD500 - Page 41

Opsis LD500
54 pages
Print Icon
To Next Page IconTo Next Page
To Next Page IconTo Next Page
To Previous Page IconTo Previous Page
To Previous Page IconTo Previous Page
Loading...
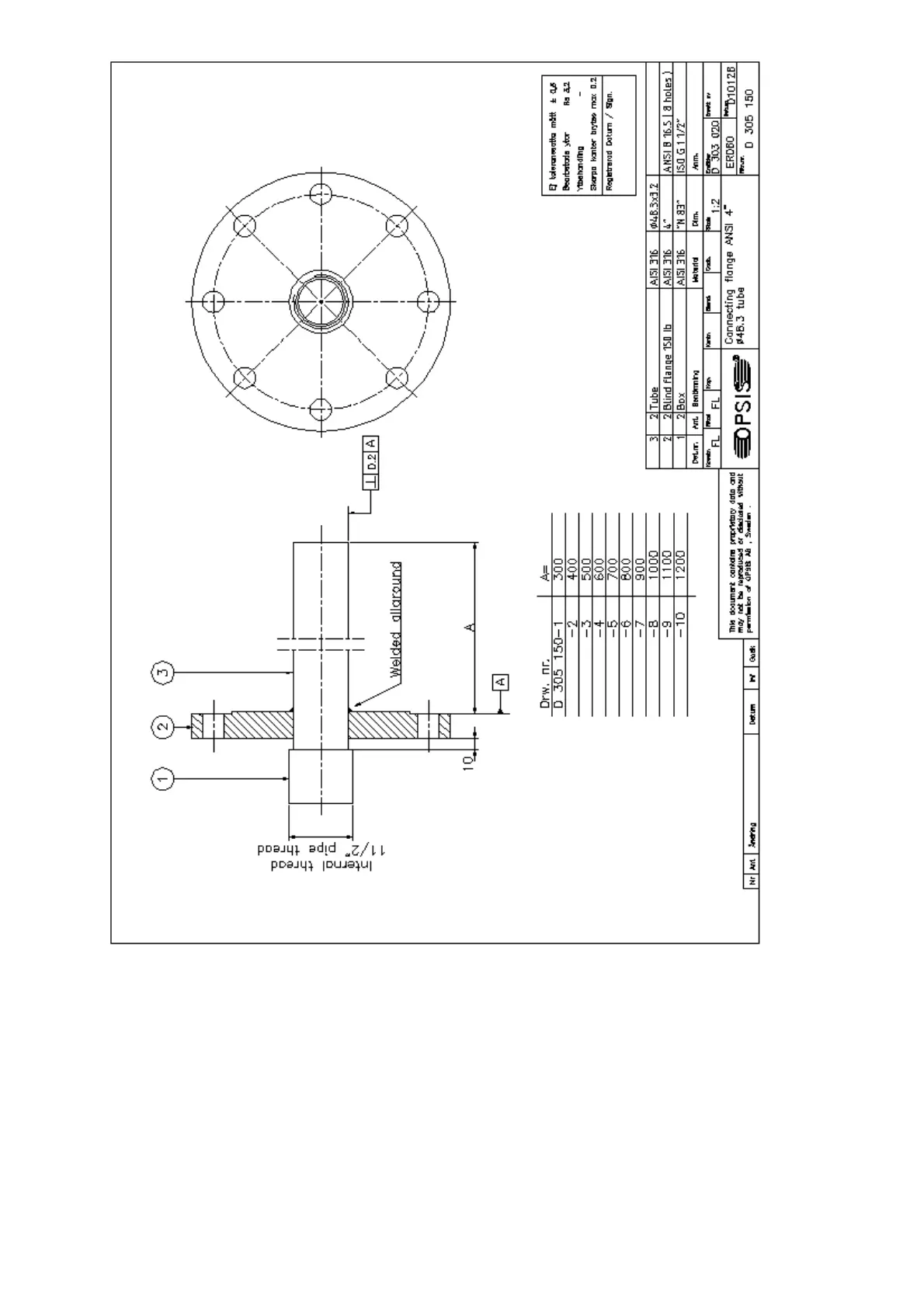
Drawing no. 1. Connecting flange

Table of Contents