EasyManua.ls Logo

Panasonic CS-Z25UB4EAW

Panasonic CS-Z25UB4EAW
158 pages
To Next Page IconTo Next Page
To Next Page IconTo Next Page
To Previous Page IconTo Previous Page
To Previous Page IconTo Previous Page
Loading...
25
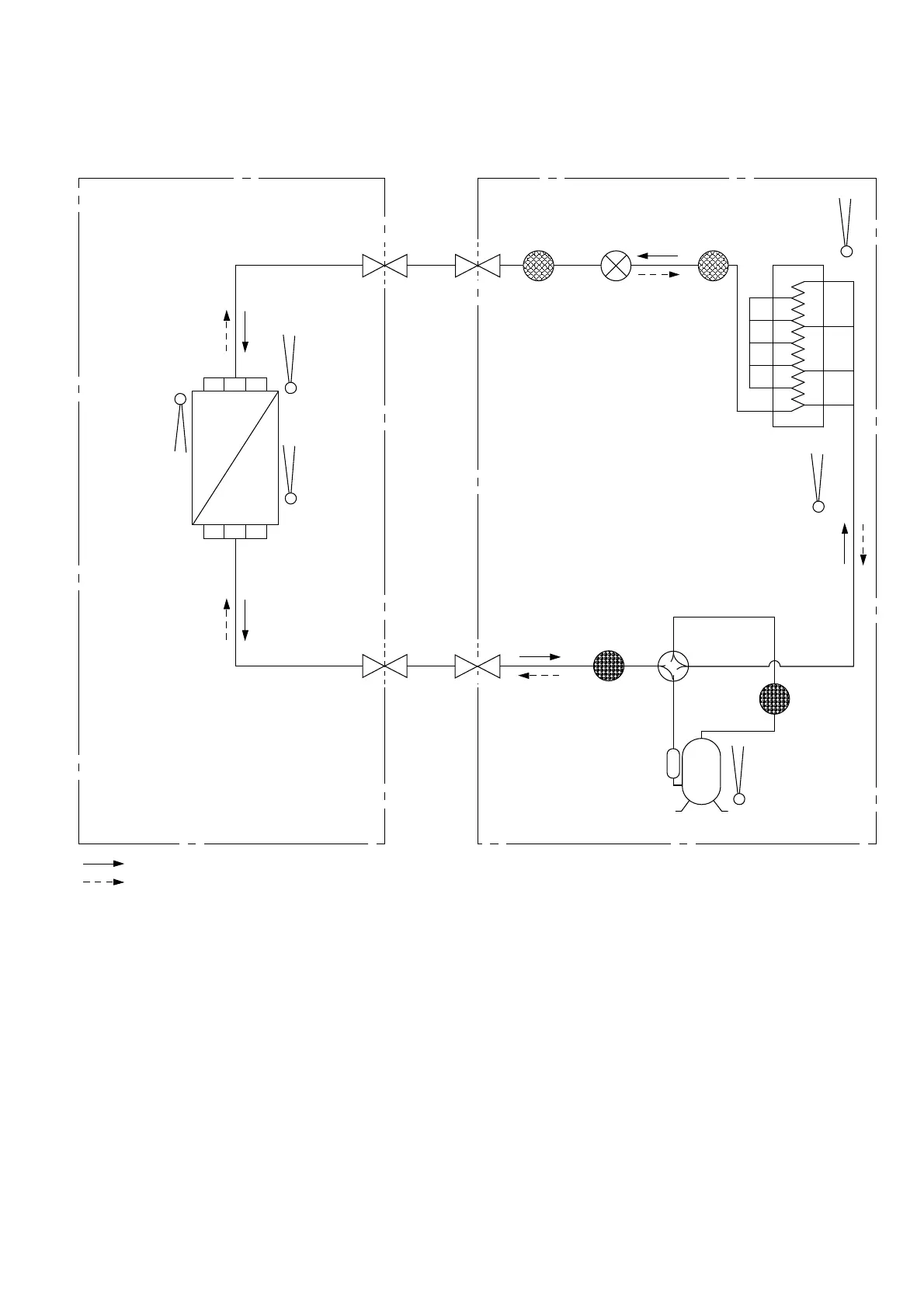
7. Refrigeration Cycle Diagram
7.1 CS-Z25UB4EAW CU-Z25UBEA CS-Z35UB4EAW CU-Z35UBEA
INDOOR OUTDOOR
INTAKE
AIR
TEMP.
SENSOR
AIR
TEMP.
SENSOR
PIPE
TEMP.
SENSOR 1
PIPE
TEMP.
SENSOR 2
TANK
SENSOR
PIPE
TEMP.
SENSOR
LIQUID
SIDE
2-WAY
VALVE
3-WAY
VALVE
GAS
SIDE
COOLING
HEAT EXCHANGER
(EVAPORATOR)
HEATING
COMPRESSOR
4-WAYS VALVE
CONDENSER
MUFFLER
MUFFLER
STRAINERSTRAINER
EXPANSION
VALVE

Table of Contents

Related product manuals