EasyManua.ls Logo

Panasonic CS-Z25UB4EAW

Panasonic CS-Z25UB4EAW
158 pages
To Next Page IconTo Next Page
To Next Page IconTo Next Page
To Previous Page IconTo Previous Page
To Previous Page IconTo Previous Page
Loading...
28
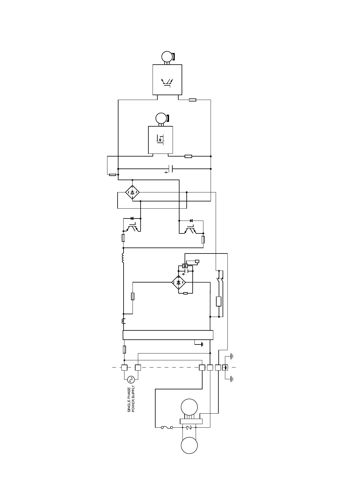
8.2 CS-Z50UB4EAW CU-Z50UBEA CS-Z60UB4EAW CU-Z60UBEA
(OUTDOOR UNIT)(INDOOR UNIT)
NOISE FILTER
MS
3 ~
COMPRESSOR
Q1
MS
3 ~
IC19
FAN MO TOR
FUSE3
FUSE6
FUSE5
REAC TOR
FUSE8
4-WAY
VALVE
RY-AC
RY-PWR
PTC
PTC2
TH1
NTC
SEN1
FUSE1
FUSE
SC
DRAIN
PUM P
FAN
MOTOR
L
N
1
2
3

Table of Contents

Related product manuals