EasyManua.ls Logo

Panasonic CS-Z25UB4EAW

Panasonic CS-Z25UB4EAW
158 pages
To Next Page IconTo Next Page
To Next Page IconTo Next Page
To Previous Page IconTo Previous Page
To Previous Page IconTo Previous Page
Loading...
29
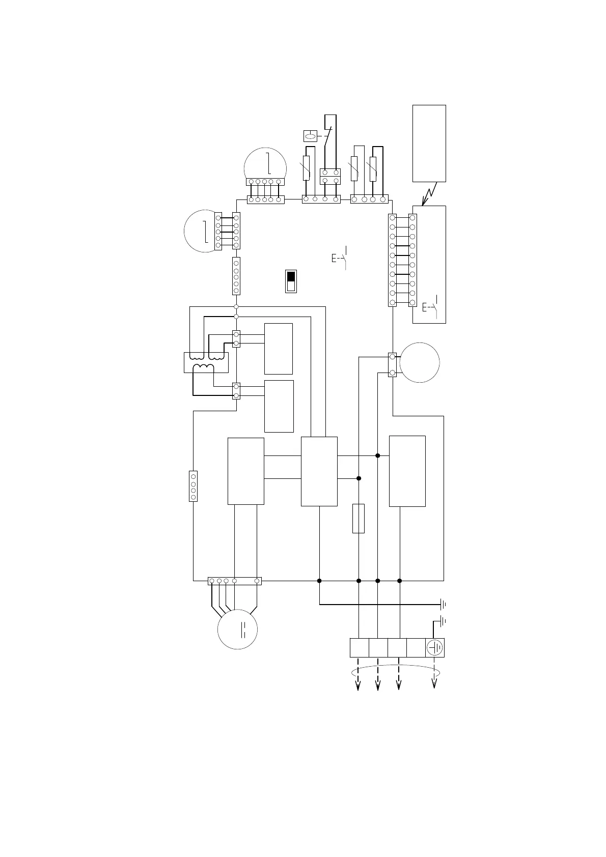
9. Wiring Connection Diagram
9.1 Indoor Unit
Y
B
W
BL
R
COMMUNICATION
CIRCUIT
NOISE FILTER
CIRCUIT
RECTIFICATION
CIRCUIT
RECTIFICATION
CIRCUIT
RECTIFICATION
CIRCUIT
M
CN-FM
(WHT)
7
6
5
4
1
2
1
G
BL
W
R
Y/G
G01(GRN)
AC01(BLK)
AC02(WHT)
AC03(RED)
FUSE01
T3.15A L250V
T
R
AN
S
F
O
R
M
E
R
MOTOR
DRAIN PUMP
M
~
1
T
OO
U
T
D
OO
R
U
NI
T
ELECTRONIC CONTROLLER (MAIN)
ELECTRONIC
CONTROLLER(DISPLAY)
REMOTE CONTROLLER
SW02
SW01
HIGH STATIC
PRESSURE
(FAN)
AUTO SW
REMARKS
B:BLUE P:PINK
BR:BROWN O:ORANGE
BL:BLACK Y:YELLOW
W:WHITE GR:GRAY
R:RED G:GREEN
Y/G:YELLOW/GREEN
13
110
1
4
CN-TH1
(WHT)
CN-DISP(WHT)
CN-TH2
(BLU)
1
4
MOTOR
FLOAT
SWITCH
INTAKE AIR TEMPERATURE SENSOR
CN-STM1
(WHT)
5
1
CN-T2
(YLW)
CN-T1
(WHT)
1
2
2
1
T-BLK1
T-BLK2
CN-DRMTR1
(BLU)
TERMINAL
BOARD
BL
BL
YYR
R
BR
R
O
Y
P
BL
BL
P
P
BL
BL
BL
BL
BL
BL
BR
BR R R B B WYYW
INDOOR PIPE
TEMPERATURE
SENSOR 2
INDOOR PIPE
TEMPERATURE
SENSOR 1
POYRBR
15
CN-STM2
(YLW)
M
O
T
O
R
CN-CNT
(WHT)
5
1
10
1
CN-DISP(WHT)
M
51
M
1
5
DRAIN PUMP
TEST RUN
3
HAJEM-A
(WHT)
14

Table of Contents

Related product manuals