EasyManua.ls Logo

Panasonic CS-Z25UB4EAW

Panasonic CS-Z25UB4EAW
158 pages
To Next Page IconTo Next Page
To Next Page IconTo Next Page
To Previous Page IconTo Previous Page
To Previous Page IconTo Previous Page
Loading...
32
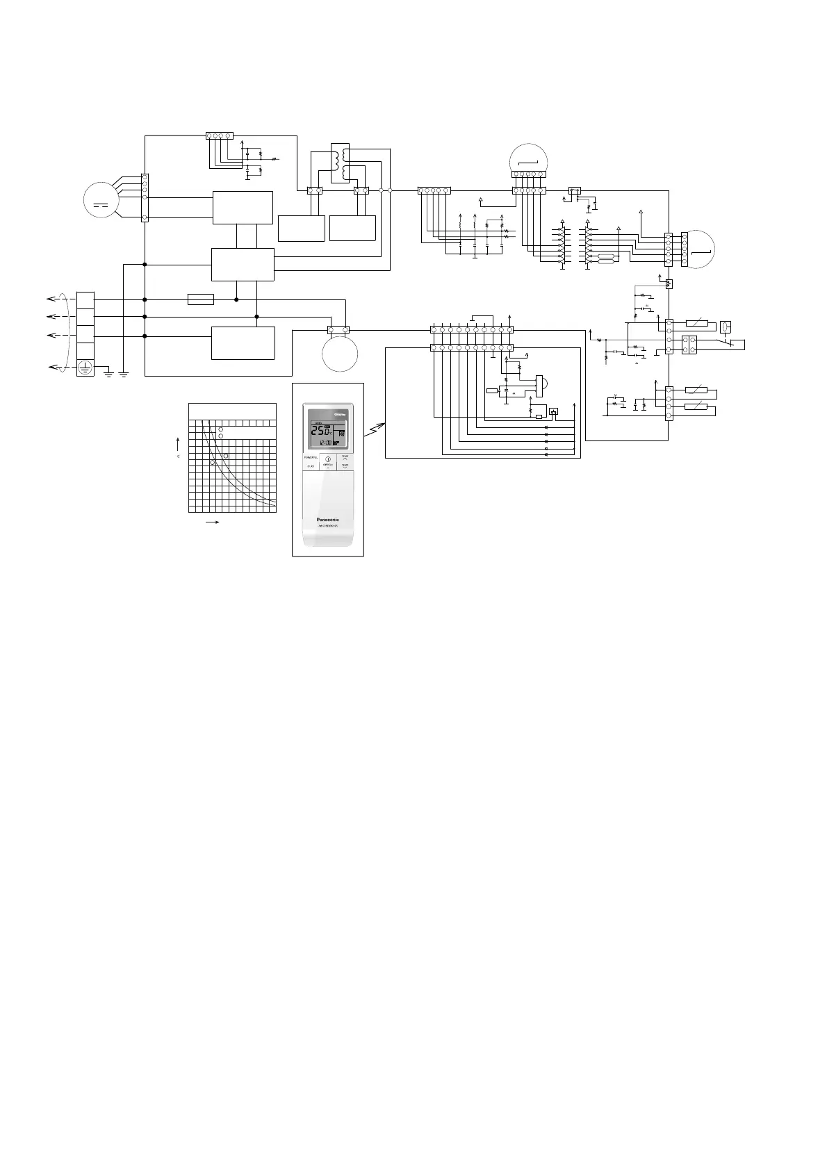
10. Electronic Circuit Diagram
10.1 Indoor Unit
12V
SSR02
SSR01
Y
B
W
BL
R
COMMUNICATION
CIRCUIT
NOISE FILTER
CIRCUIT
RECTIFICATION
CIRCUIT
RECTIFICATION
CIRCUIT
RECTIFICATION
CIRCUIT
M
CN-FM
(WHT)
7
6
5
4
1
2
1
G
BL
W
R
Y/G
G01(GRN)
AC01(BLK)
AC02(WHT)
AC03(RED)
FUSE01
T3.15A L250V
TRANSFORMER
MOTOR
DRAIN PUMP
M
~
1
TO OUTDOOR UNIT
ELECTRONIC CONTROLLER (MAIN)
ELECTRONIC
CONTROLLER
(DISPLAY)
SW02
SW01
HIGH STATIC
PRESSURE
(FAN)
13
110
1
4
CN-TH1
(WHT)
CN-DISP(WHT)
CN-TH2
(BLU)
1
4
MOTOR
FLOAT
SWITCH
INTAKE AIR TEMPERATURE SENSOR
(15k 3950)
CN-STM1
(WHT)
5
1
CN-T2
(YLW)
CN-T1
(WHT)
1
2
2
1
T-BLK1
T-BLK2
CN-DRMTR1
(BLU)
TERMINAL
BOARD
BL
BL
YYR
R
BR
R
O
Y
P
BL
BL
P
P
BL
BL
BL
BL
BL
BL
BR
BR R R B B WYYW
INDOOR PIPE
TEMPERATURE
SENSOR 2
(20k 3950)
INDOOR PIPE
TEMPERATURE
SENSOR 1
(20k 3950)
POYRBR
15
CN-STM2
(YLW)
MOTOR
CN-CNT
(WHT)
5
1
10
1
CN-DISP(WHT)
M
51
M
1
5
DRAIN PUMP
TEST RUN
3
C04
1
C43
R75
5V
R31
20.0k
R55
10k
R56
10k
R57
1k
R54
1k
R33
15.0k
C29
1000p
5V
5V
5V
C31
0.01
C05
1
12V
12V
12V
IC07
7
6
5
4
3
2
1
7
6
5
4
3
2
1
10
11
12
13
14
15
16
10
11
12
13
14
15
16
9
8
GND
12V
IC05
9
8
GND
5V
C30
R13
BZ
5V
R202
10k
IC201
Vout 1
R201
47
C202
Vout 2
GND 3
(NHG)
5V
R203
1k
BZ201
5V
SW201
Auto
1
D205
D204
D203
D202
D201
Power
Tim er
Powerful
Quiet
Air Swing
3
+
C201
47 F
5V
5V
REMOTE CONTROLLER
HAJEM-A
(WHT)
14
Sensor (Thermistor)
Characteristics
70
60
50
40
30
20
10
0
-10 0 10
Temperature (
o
C)
Resistance (k )
20 30 40 50
1
2
2
1
Pipe temp. Sensor
Inta ke Air Tem p. Sensor
5V
C03 R42
R43
C28 R41
5V 12V
5V
*L5
*C57 *C56 C51 C52
R90
R83
R84
R82
*L6

Table of Contents

Related product manuals