EasyManua.ls Logo

Panasonic CS-Z25UB4EAW

Panasonic CS-Z25UB4EAW
158 pages
To Next Page IconTo Next Page
To Next Page IconTo Next Page
To Previous Page IconTo Previous Page
To Previous Page IconTo Previous Page
Loading...
30
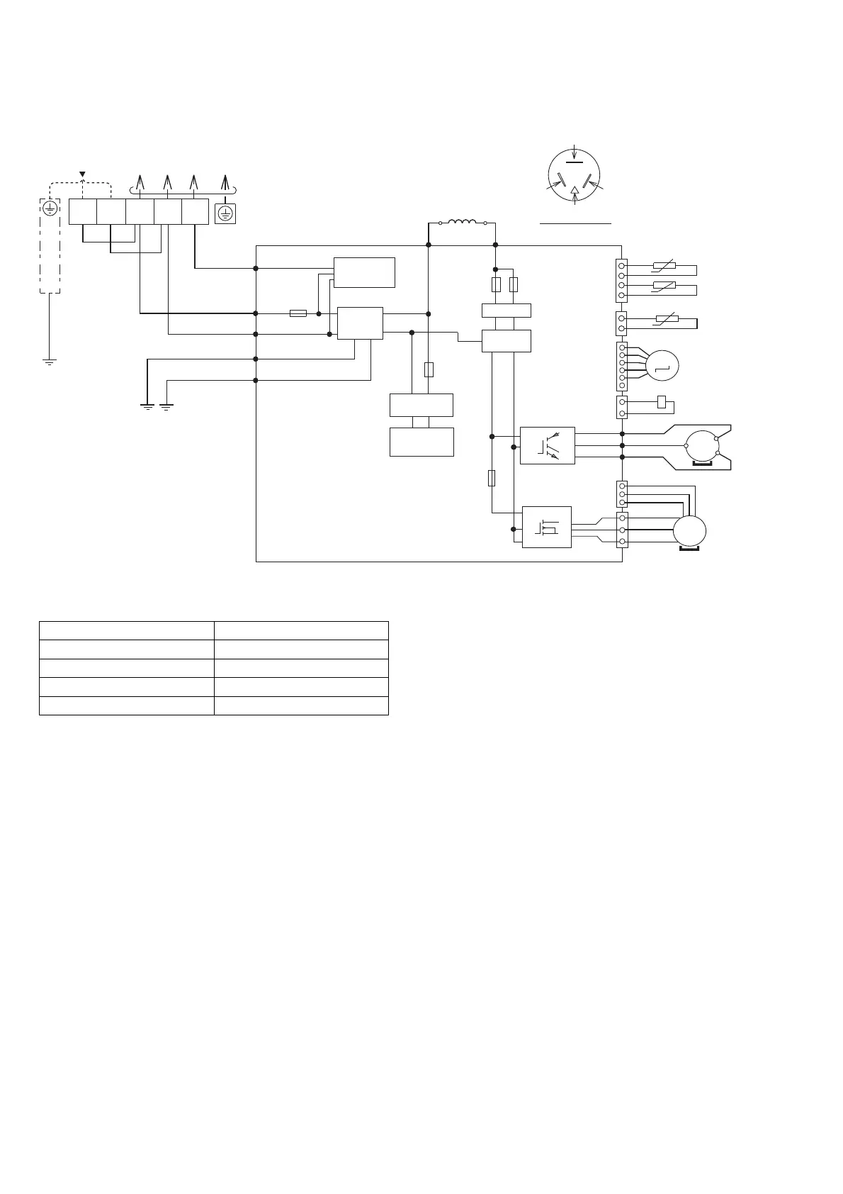
9.2 Outdoor Unit
9.2.1 CU-Z25UBEA CU-Z35UBEA
Resistance of Compressor Windings
MODEL CU-Z25UBEA / CU-Z35UBEA
CONNECTION 9RS102XFA21 ()
U-V 1.211
U-W 1.211
V-W 1.211
Note: Resistance at 20°C of ambient temperature.
TO INDOOR UNIT
SINGLE PHASE POWER SUPPLY
REACTOR
BLK
BLK
WHT
WHT
YLW/
RN
GROUNDING TERMINAL
RED
COMMUNICATION
CIRCUIT
NOISE FILTER
CIRCUIT
DATA
(RED)
AC-BLK
(BLK)
AC-WHT
(WHT)
FG1
(GRN)
FG2
(GRN)
PFC CIRCUIT
RECTIFICATION
CIRCUIT
RECTIFICATION
CIRCUIT
SWITCHING POWER
SUPPLY CIRCUIT
FUSE 103
(20A 250V)
FUSE 104
T3.15A L250V
FUSE 101
T3.15A L250V
FUSE 2
20A
FUSE 3
20A
GRN
GRN
123
TERMINAL
BOARD
LN
YELLO
W
(YEL) OR T(W)
TRADEMARK
COMPRESSOR TERMINAL
THE PARENTHESIZED LETTERS IS
INDICATED ON TERMINAL COVER
BLUE
(BLU)
OR S(V)
RED
(RED)
OR R(U)
CN–TH1
(WHT)
CN–TANK
(WHT)
RED
RED
BLU
BLU
BLK
PNK
WHT
YLW
YLW
(RED) U
(BLU) V
(YLW) W
U
V
W
1
4
1
3
CN-STM
(WHT)
1
6
P
N
Q1
OUTDOOR AIR TEMP. SENSOR (THERMISTOR)
PIPING TEMP. SENSOR (THERMISTOR)
COMPRESSOR TEMP. SENSOR (THERMISTOR)
CN–HOT
(WHT)
1
3
ELECTRO-MAGNETIC COIL
(4-WAY VALVE)
ELECTRO-MAGNETIC COIL
(EXPANSION VALVE)
REMARKS
BLU : BLUE
BLK : BLACK
WHT : WHITE
RED : RED
YLW : YELLOW
GRY : GRAY
GRN : GREEN
PNK : PINK
BRW : BROWN
ORG : ORANGE
YLW/GRN : YELLOW/GREEN
COMPRESSOR
MS
3~
ELECTRONIC CONTROLLER (MAIN)
1
1
3
5
3
W
10
14
16
IC25
V
U
CN-MTR2
(WHT)
CN-MTR1
(RED)
RAT2
(GRY)
GRY
RAT1
(GRY)
GRY
MS
3~
FAN MOTOR
SOUND PROOF
BOARD
M

Table of Contents

Related product manuals