EasyManua.ls Logo

Panasonic CS-Z25UB4EAW

Panasonic CS-Z25UB4EAW
158 pages
To Next Page IconTo Next Page
To Next Page IconTo Next Page
To Previous Page IconTo Previous Page
To Previous Page IconTo Previous Page
Loading...
34
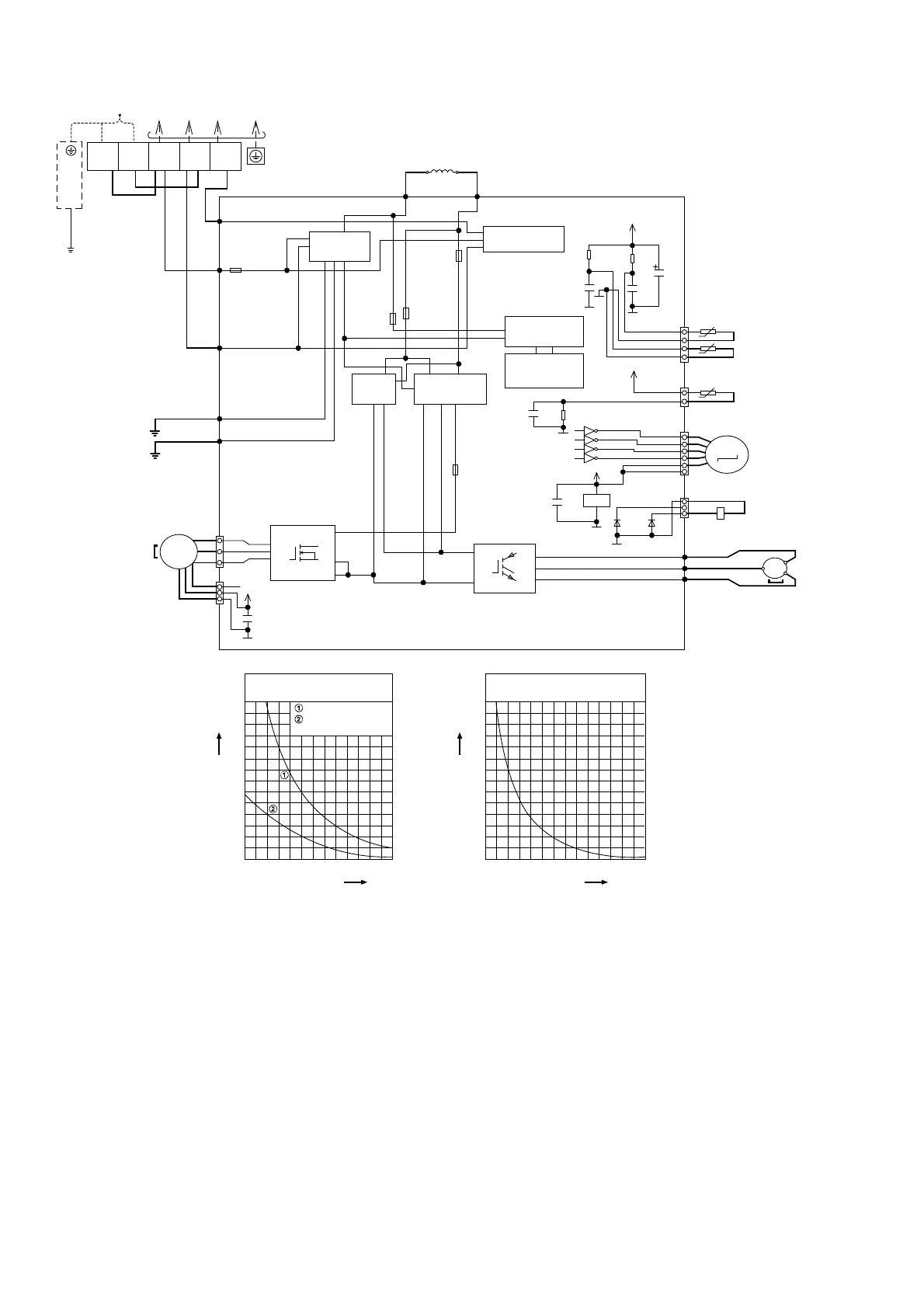
10.2.2 CU-Z50UBEA CU-Z60UBEA
Sensor (Thermistor)
Characteristics
70
60
50
40
30
20
10
0
-10 0 10
Temperature (
o
C)
Resistance (k)
20 30 40 50
Outdoor Air Sensor
Outdoor Heat Exchanger
Sensor
Compressor Temp. Sensor
(Thermistor) Characteristics
70
60
50
40
30
20
10
0
20 40 60
Temperature (
o
C)
Resistance (k)
80 100 120 140
M
GRY GRY
REACTOR
RAT2
(GRY)
RAT1
(GRY)
DATA
(RED)
AC-BLK
(BLK)
GRN
GRN
FAN
MOTOR
SOUND PROOF BOARD
FUSE 1
(25A 250V)
FUSE 3
T3.15A L250V
AC-WHT
(WHT)
FG1 (GRN)
CN-MTR2
(WHT)
CN-MTR1
(RED)
FG2 (GRN)
1
10
P
N
U
(RED) U
(BLU) V
(YLW) W
CN-STM1
(WHT)
V
W
Q1
14
W
IC19
U
V
16
1
3
3
5
NOISE FILTER
CIRCUIT
RECTIFICATION
CIRCUIT
PFC
CIRCUIT
COMMUNICATION
CIRCUIT
RECTIFICATION
CIRCUIT
SWITCHING
POWER
SUPPLY CIRCUIT
CN-TH1
(WHT)
CN-TANK
(WHT)
CN-HOT
(WHT)
1
1
1
1
3
3
6
4
OUTDOOR AIR TEMP. SENSOR
(THERMISTOR)
PIPING TEMP. SENSOR
(THERMISTOR)
COMPRESSOR TEMP.
SENSOR (THERMISTOR)
ELECTRO-MAGNETIC
COIL
(4-WAY VALVE)
YLW
YLW
YLW
RED
BLU
COMPRESSOR
ELECTRO-MAGNETIC COI
(EXPANSION VALVE)
MS
3~
ELECTRONIC CONTROLLER
MS
3~
FUSE 8
T3.15A
L250V
FUSE 6
(20A 250V)
FUSE 5
(20A 250V)
SINGLE PHASE
POWER SUPPLY
TO INDOOR UNIT
RED
WHT
BLK
BLK
YLW/GRN
GROUNDING
TERMINAL
WHT
LN
123
(BLK) (WHT) (RED)
TERMINAL
BOARD
D59
D57
NONE
G4A
AK
AK
5V
G5
C401
0.1u
25V
B1
15V
G4A
IC8
C921
0.1u
50V
B3
10
9
COMMON
GND
IC8
18
17
16
15
1
2
3
4
5V
G5
C99
1u
10V
B1
R28
4.99k
1%
5V
C98
470u
10V
KY
G5
G5
G5
C10
1u
10V
B1
R22
15k
1%
R21
15.8k
1%
C9
1u
10V
B1

Table of Contents

Related product manuals