EasyManua.ls Logo

Panasonic JU-253-T - Schematic Diagram of Control Board

Panasonic JU-253-T
48 pages
Print Icon
To Next Page IconTo Next Page
To Next Page IconTo Next Page
To Previous Page IconTo Previous Page
To Previous Page IconTo Previous Page
Loading...
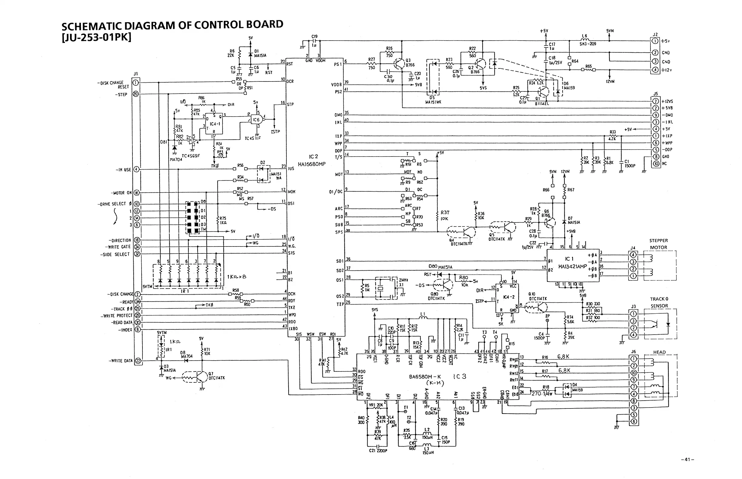
SCHEMATIC DIAGRAM
OF
CONTROL BOARD
[JU-253-01
PK]
5V
.---1
R6
01
m:
>
~MAISIA
_
_...
___
--'zo""IRST
Jt
~~
J;
,t~!
~T
-OISX
CHANGE
1©1µ_---....-----------n-a:f~-----'
1
0'40CR
RESET
I
OP
RSI
-STEP
-u
-IH
USE
-J.IOTO
R
OH
-DRIVE
SELEC
T 0
)
1.
2
J
-'OIREC
TIOH
ATE
-WRITE
G
-SIDE
SELE
CT
Rei
''°.....-
IK~~
DIR
!Z'J_Sv
.---l[sTP
Sv
~
Re5
4
471<
2
Ql-"s----'::.r~
._
_
_.__.::.iio
~
IC6~
RSI
3
IC4-I
J
47K
[
R
!STP
R82
Jc
5
~
TC4SllF
II<
~
4
R84
*
.Jr
~R~r
..Ir
TC4S69F
~
MA704
081
02
>----i-+-------~----~DRS6,..,_
r:;--1
23
IUS
-u
...- :
r:MAISI
TK(.l
~
R34
r-L
I
..,__
I
WA
-...r
......, .
l!
__
...1
.r.-----lf--+--+-------1--o...~RS2....,_,..,_.n-----...!.
12
~MOH.
-...ri.i.r'""'
1~1
1;!
I~
1'I
I
~
_rm--.,
DC
!""
I
+=
.,01
i.
·~02
j•
I
'-
*ioJ
R7S
llC11.
at='t--4---SV
MS
RS7
_,..,_
1I
OSI
~
L-os
Li
wJTM
I
L!
~
~
1~1
)',------+-~-+---___,.___...._
__
+~--'-1/_o
___
1=8
i/G
r_WG
25
},---i-+--1--4---<t---+---+----~-+--...:.:...::..---..u!w.G.
1~1
llJ2l-:-----+--l---+--+--i-..._
__
-1---------=:?.l
24
SIS
1'<::11
8 5 9 6 3 7 j
r"'
-~-~-""1--~-t---~
I
~
;f
~
I
I I
I~'+.;.~~+
~I
1
l<st..x
B
_ll]BI
___Ilia2
SVTMb_
___________
.j-
1
-OISICC~g(i
IR
1
~
..
4
0CH
-REAOYl(YJ.:..I
____________
_;....S,.~-.n-
'"'---~
44
ROY
-TRACK
001~1
~TK0
Rro""'"
5 TKl
-WRITE
PROTECT!~
I I
WPO
l~I
-READ
DATA
I~
I
.42
ROD
_519
+1
l6
~t
J2
,rt1jlt-t-----------,r-----------.-----------1-.11c_11_-..-_rSHJ-...,_209
__
..._
_____
f(fj1.!.fl
1
+s·i
2 3
~...
J
A:
r.I_
l1111
l
1-<Di
CHu
Gltlr
VOOM
6
_R2?
-.J\Ql
r--1
R23
-'\
r -
rrr
Cl8
0.Ru
PS
1
i-=-----"J\."'·"o/\--"'._____..v-...<.r
}a1s&
1
..i+r
_;,;,...
T l 1
~
.............
.
..,
tp/ZSV
o'""
L------~
1
[Q)'..f'JI
CNO
IC2
HAl6680MP
VOOB
39
PS2
41
750
Lj_''
'-~
· I I
560
Q2
·~"
L -
....
_ _I_
R65
~I
C26-r 8766-
1
- -
-.
.... .... ....
-.
~t-
__
_.,. _
_,....,D'Y"'"~o--.....-----_.:~'..f
.
.t
+12
·
C3
~ro
-::i...c20 I I
01~.L
- T
o.l}I
ifT-
lJJ
I I
~
-;::;:
..._
....
"l
J
...,.
SVB
I I r
R24
'{if
1
106
12VM
I
-"'-I
SVS
_!~
"'
- I I
MA1S9
L~
__
J
UK
J..
~
t.:~
J
OS
· C
t_
Q.L:l_
MA151\llK
0.1.JI
'--~
81
::-:
114
-:-::m~L-.___
___________
_!_[
,-4-,
s
:~1+1~
8
1
2
+sv
oMor~~----------------------------------------_!?i
9
-OM
}0]-111
0
IHLf"°"-----------------------------------------_..!j
+sv
ixPcn=---------------------------------------~~;;;_.~+-sv_~_·-=.-=.=:li
f<D
+IX
~+'/IP
WP!'f-~-'--------------------------------------..L...:4~.r~IC-1---
00Pr7:----------::---:---:-F.T-------------------<.--4-_Jl..----l----~
T/S
~t~,__
_______
.!.T~
s
:tSV
~RS~
MOY
~13"-'--_:._--_:._-___i:M!lLO~Y!......
HO
R9
R620--
0t/DC
l-"
9
'---------ll..01!......
0C
J:.R63""b.
RSJ.
"'-'
ARC
i-:-
17
'--------._..nARCQR7
PSD
S
~HP
6R70
SUB
IS
~SB
RSJ
~
R37
~
JOI<
sv
'
SPS~!.lfl.._
_______
'-T_~~~~--_._µ'~-="---J'-
' )
84---
R36
!OK
,,---- '
•"'
·v-
I
.,
"
QS--
--
DTC114TIC
!128~
.
Q.6
lk
876§...
12'M
~
I~
R67
)
07
s~Z
R3
>RI
Ct
~
lllC
~391(
~6.SK
I
tSOOP
.,,.,
rl
.,,.,
~
_.0
IK.
'bl
'1
MA.151A
C28,...
+5V9
O.IJIL~--
... T
:-G?
-DD
11~·
HC
STEPPER
L
p
p
p
1µrJviJ.
Jr1
t-'1
ts
J_
J
1J
0TC114TK
1
l2J.4
1
MOTOR_
1
+;A
3 I
.t
I
i---------------------------Ll1~,
~I
-4A 2 I
,,~--..:..cl
3
1
·
12
~z'
HAl3421AMP
+~B
o-_6--....
__
~
2
_
SY
"110
f,,
"--=,.,..,.,.~...,.,....---P
9
....1
7
!
1
W
___
J
OIR~D"S'"
VCC
0(
I
~
IC4-2
9.10
We
JSTP~T
_D_!<:_!~TIC
TRACKO
U 8
'~IV'
-V~\----
4
Rll
330
~
.-SENSO~
uy
T
_,,_
-~
~P
~Rl;._~1J,..1eo_~...__--~,·
'1'
'1
L_
l
p
en
>R11
.c
R12
R14
sv.
~
s.&
I
3
I I
"j
,
-IHOEX
I(§}
43
JX80
f'!;1A
SIS
I I I
1!Cn.
5V
301
1
.J.
r1r
l
~R74
11.R
IOO
J_
1
WSW
ESW
ROI
220P.;
ISK
?
15
"
UK
Tl
T4
"I
R4
I
2
I T I
32
J1
1"'1J~sv~
~.rf[
9
...
n
f1'J
Q Q n
1s&~T
1'39K
&J
t__
___
J
<:
,~B
Rl3
<C
,
7TT
r1
n I
0
R,S
7lr
7fr
I r1
-WRITE
DATA~
l PRI 08
4~J
"'~
R71
10K
~~
~~
381
IUIJf~
39
1
~1
~
10
20
27
~
d4tl4 4?
1.J
,.p·
4.
-<•
!.!!I
171_
1
~J
1
6
I
HEAD_
1
R~
'"f
.-,.
~
):'.
~
~
~
·~
c5i
~
~
~
S
~
~
~
~~
Rw-
13
RJ§..
G 8 K
..
-
·a
::a
£
s::i
n
....
~
"' "' - - ''fiL
-r.._,.,N\--~
I
33
jf
R'N~i-.:.12,.__
__
,_..,.,~_::i.__
________
~I
2 I -r I
L---....:J~OROO
RW121-"JS..__._.._..fil......._7
_
_,.6_.a"""-'-K,__
______
-.!..fl
JO
I 1_ I
zg
tb
BA6580M - K l C 3
~ll
1.4
L~
•v
1 I n I i
:}-i
1
L--------'3::::i1
Vib
(
l'.:.1-1)
I " I
'---------=za""'Si
~
~
m~
JllB
..r
ry_1D.4
~
I
WI!
~
a_...,
2-
s:z
~
~
~
""'
<>
c!>
~
~
Eaiil!LJ270.1 w
l.
:
..,__TMA•
59
~~
J
...,
-
"'
CJ
"'
:::
:a
i5
.A:!
~
I;.;;.
I
=-
-+-1-
1
VR1~~20Kjl
J]L
~
4
I~
clr
6I
Ctl
9Pfl:J,
21
19(
f I
~
I
r"'
0.047JI
.-0.047P
LJ
~:
65
~1
~
g1~
~
~ ~
RJ9
Jl35
l2
0
l7K
·i.~~.;;:
~
CIS
~.t:-:-:!
~
Ll T
!SOP
C21
2D>P
ISQ)IH
-41-

Table of Contents

Related product manuals