EasyManua.ls Logo

Panasonic KX-FT982LS-B - Page 91

Panasonic KX-FT982LS-B
194 pages
Print Icon
To Next Page IconTo Next Page
To Next Page IconTo Next Page
To Previous Page IconTo Previous Page
To Previous Page IconTo Previous Page
Loading...
91
KX-FT982LS-B / KX-FT984LS-B / KX-FT988LS-B
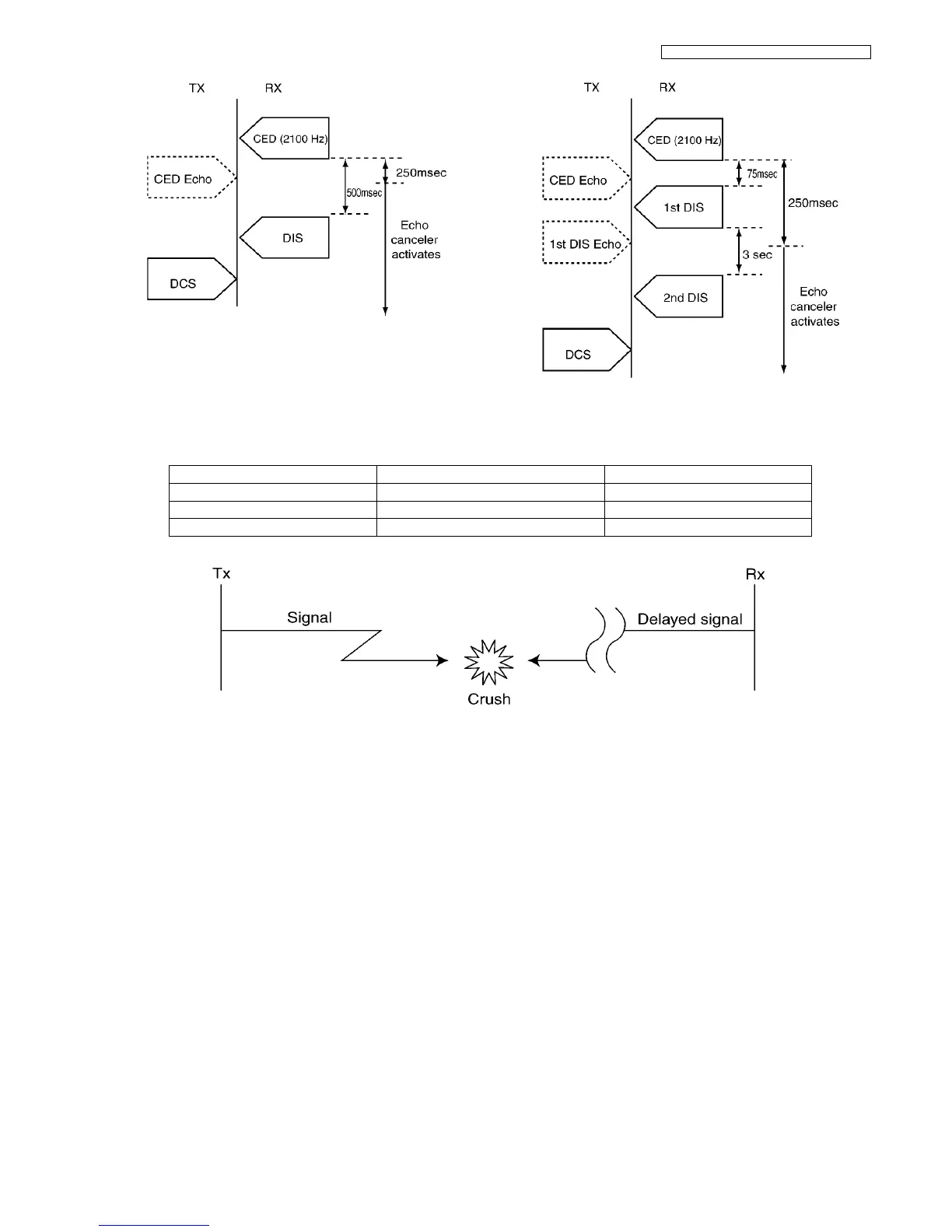
Fig. c
(Countermeasure by Changing the Interval Between CED and DIS)
Fig. d
(Countermeasure by Ignoring the 1st DIS)
(Fig. e)
12.3.3.1.6. The unit can copy, but the transmission and reception image are incorrect
(Long distance or international communication operation)
This symptom highly depends on the transmission and reception capability of the other FAX unit and the line conditions.
The countermeasures for this unit are shown below.
Transmission Operation:
Set the transmitting speed to 4800BPS (service mode: code No. 717) or select the overseas mode.
Reception Operation:
If 80% or more of the reception is incorrect, set the receiving speed to 4800BPS. (Service mode: code No. 718)
Refer to Service Function Table (P.60).
<TX side signal> <RX side signal> <Countermeasure>
2nd / 3rd DCS / Training & delayed CFR / FTT at TX side
2nd / 3rd EOP / EOM / MPS & delayed MCF / PIP / PIN / RTP / RTN at TX side
delayed DCS & 2nd / 3rd / --- DIS at RX side

Table of Contents