EasyManua.ls Logo

Panasonic KX-FT982LS-B - Page 92

Panasonic KX-FT982LS-B
194 pages
Print Icon
To Next Page IconTo Next Page
To Next Page IconTo Next Page
To Previous Page IconTo Previous Page
To Previous Page IconTo Previous Page
Loading...
92
KX-FT982LS-B / KX-FT984LS-B / KX-FT988LS-B
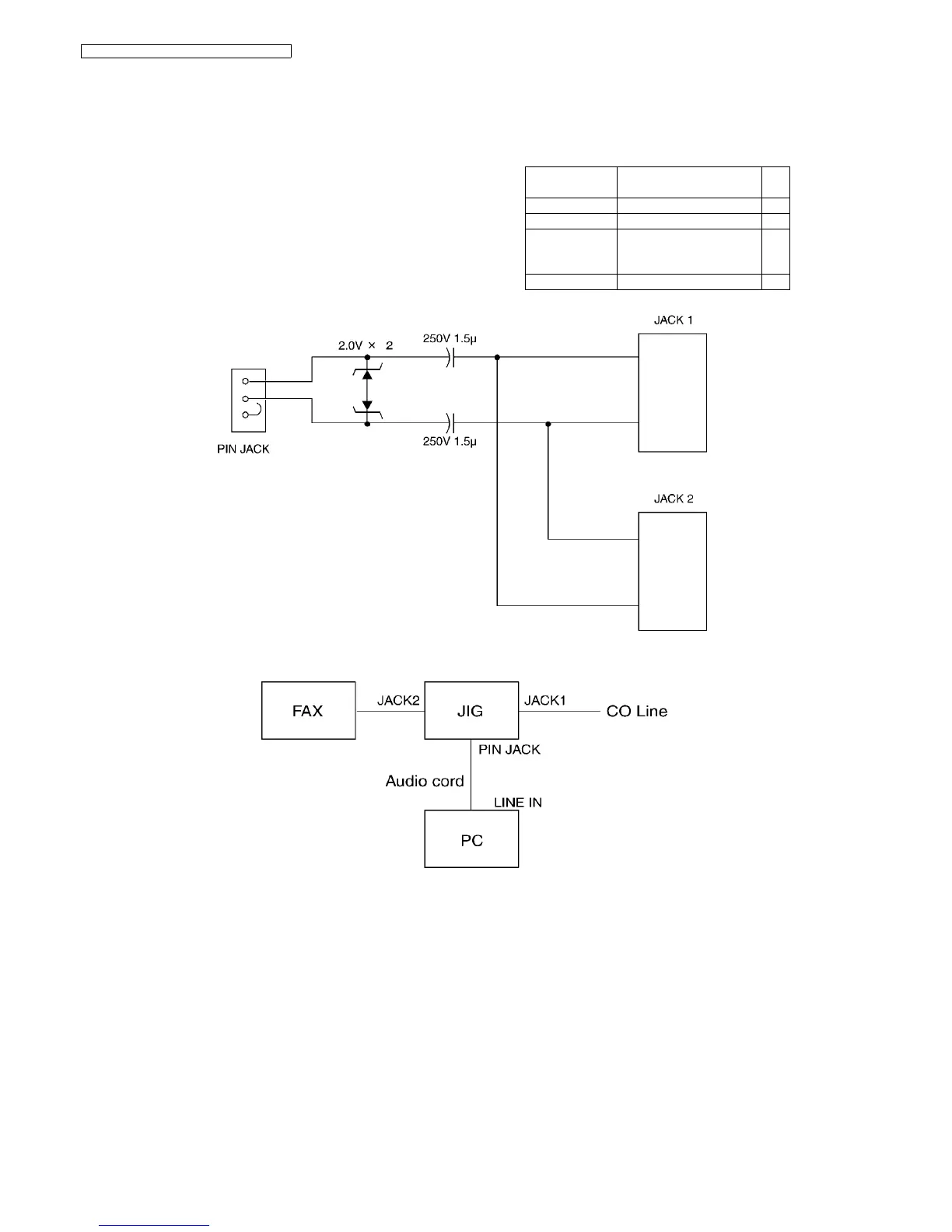
12.3.3.1.7. How to record fax signal by using PC
Recording FAX signal is one of the useful analysis measures to solve communication problems.
The way of recording easily by using PC is shown as follows.
1. Equipment
•1 jig
1 PC (with LINE IN)
1 audio cord (mini jack supported)
2 tel cords
2. Setting up
FAX SIGNAL RECORDING JIG
3. Connecting PC and JIG
4. PC setting and recording
1. Set LINE IN to be valid in the volume control setting.
Refer to the PC instruction book.
2. Start up the PC software “SOUND RECORDER”. (This software is bundled to Windows OS, which can create WAV file.)
Set the audio format “PCM 22.050kHz, 8bit, mono”.
3. Click the record button and start recording after acquisition the signal.
Note:
Not to be wind wave patterns on the wave monitor.
Please compress the recording data when you send attaching to E-Mail because the data size will be so heavy.
Any software which can create WAV files is available.
Parts No. Parts Name & Descrip-
tion
Qt’y
PQJJ1T004Z JACK1, JACK2 2
PQJJ1D010Z PIN JACK 1
ECQE2155KF
or
ECQE2E155KC
CAPACITOR 2
MA4020 DIODE 2

Table of Contents