EasyManua.ls Logo

Panasonic KX-TG4732B

Panasonic KX-TG4732B
102 pages
To Next Page IconTo Next Page
To Next Page IconTo Next Page
To Previous Page IconTo Previous Page
To Previous Page IconTo Previous Page
Loading...
18
KX-TG4732B/KX-TG4733B/KX-TG4734B/KX-TGA470B
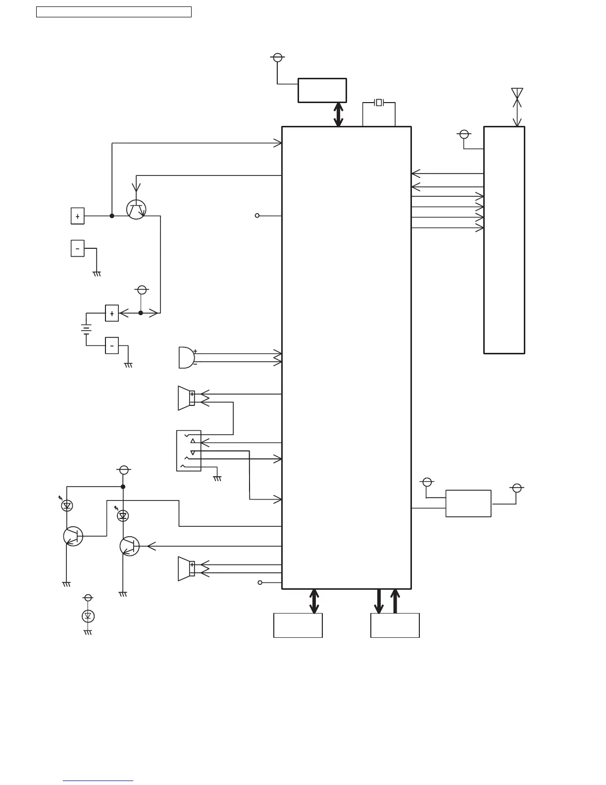
4.5. Block Diagram (Handset)
IC1
IC3
MIP
MIN
HSSPOUTP
LOUT
BELL_LED
HSMIP
HEADSET_DET
SPOUTP
SPOUTN
CKM//STM
CKM/STM
BBIC
RESET
CHG_CTL
CHG_DET
WP, CLK, DATA
KEYSTOROBE_A~E
KEYIN_1~5
CHARGE
Q3
MIC
Receiver
Headset Jack
CN431
LED
Monitor SP
LCD
CHARGE
PUMP
IC4
KEYS
RF part
ANT1
X1
13.824 MHz
EEPROM
VBAT
BATTERY
Q5
LED
(LCD)
RSTN
(BELL)
VBAT
VBAT
3V
4.0V
VBAT
RXn
RXp
RXON
TXp
TXn
TXON
KX-TGA470 BLOCK DIAGRAM (Handset)
KEY_LED
CP_OFF
Q6
LED
(KEY)
4V

Table of Contents

Other manuals for Panasonic KX-TG4732B

Related product manuals