EasyManua.ls Logo

Panasonic KX-TG4732B

Panasonic KX-TG4732B
102 pages
To Next Page IconTo Next Page
To Next Page IconTo Next Page
To Previous Page IconTo Previous Page
To Previous Page IconTo Previous Page
Loading...
52
KX-TG4732B/KX-TG4733B/KX-TG4734B/KX-TGA470B
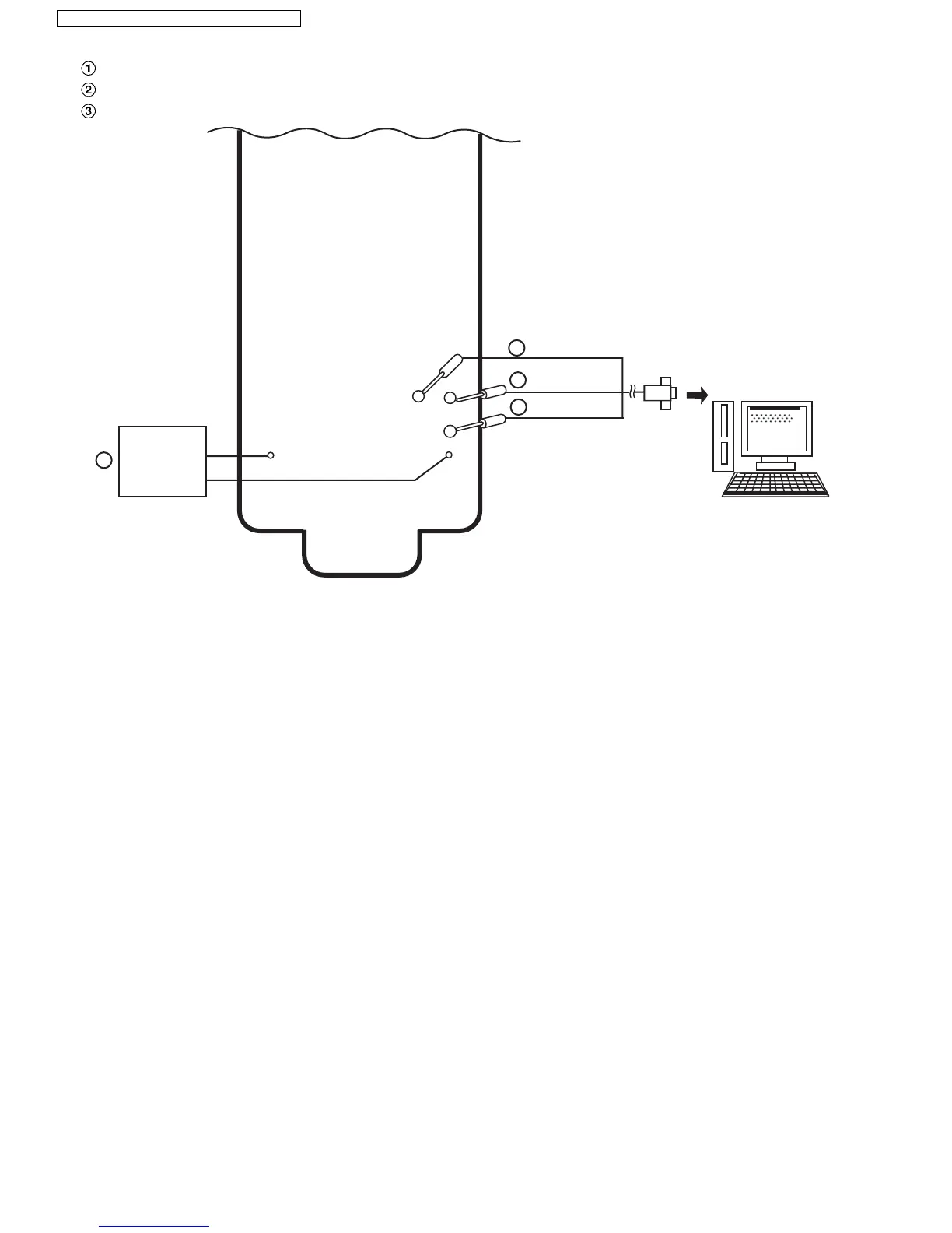
12.2.2. Connections (Handset)
Connect the DC Power or Battery to BATT+ and BATT-.
Connect the JIG cable GND (black) to GND.
Connect the JIG cable UTX (yellow) to UTX and URX (red) to URX.
Note:
*: COM port names may vary depending on what your PC calls it.
DC Power
or Battery
2
GND
(black)
3
To Serial Port
(com port 1*)
JIG Cable
PC
URX (red)
3
UTX (yellow)
Handset P. C. board
1
BATT-BATT+
GND
UTX
URX

Table of Contents

Other manuals for Panasonic KX-TG4732B

Related product manuals