EasyManua.ls Logo

Panasonic KX-TG4732B

Panasonic KX-TG4732B
102 pages
To Next Page IconTo Next Page
To Next Page IconTo Next Page
To Previous Page IconTo Previous Page
To Previous Page IconTo Previous Page
Loading...
73
KX-TG4732B/KX-TG4733B/KX-TG4734B/KX-TGA470B
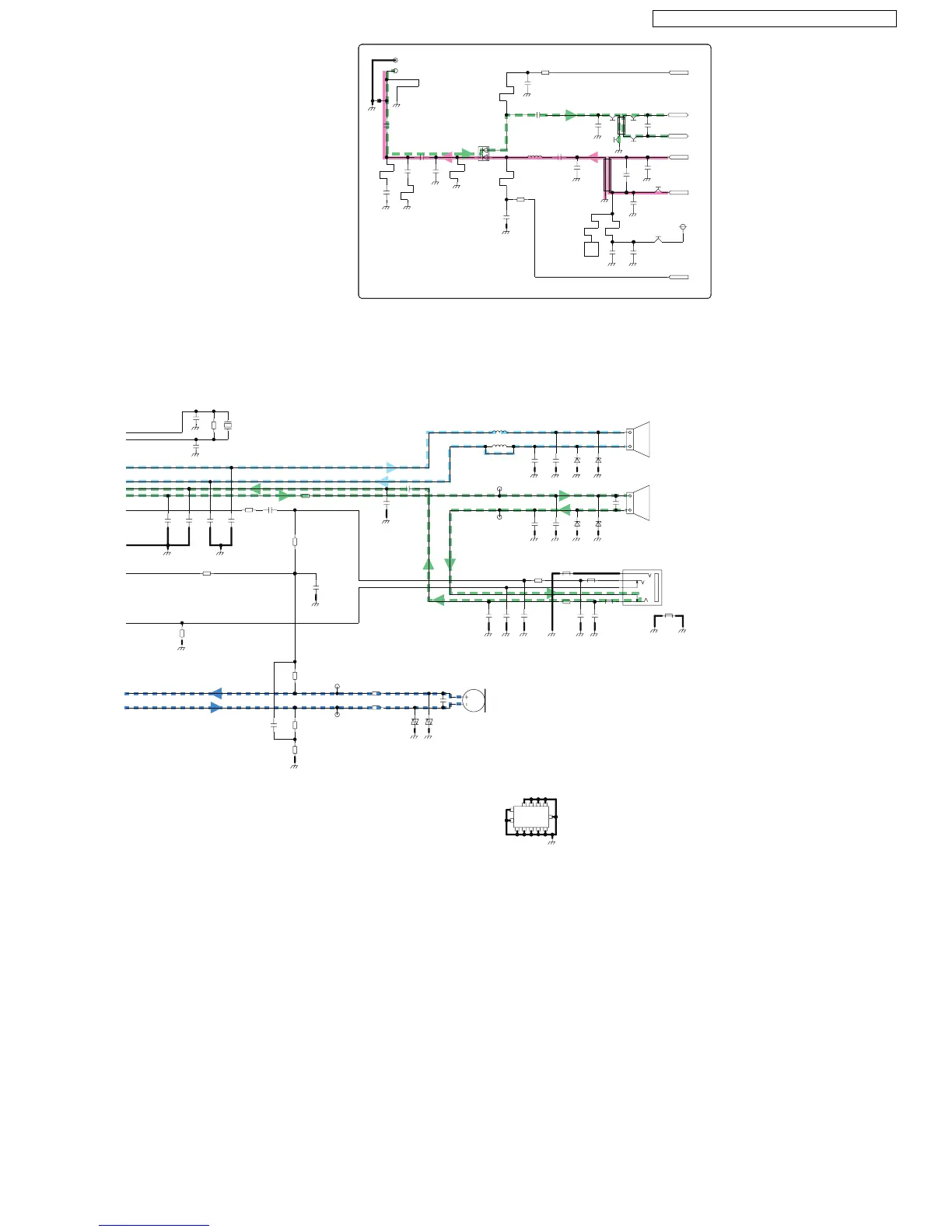
KX-TGA470 SCHEMATIC DIAGRAM (Handset_Main)
NC: No Components
(1)
(2)
(3)
(4)
(5)
(7)
(6)
(9)
(10)
(11)
(12)
(8)
RX_RF
TX_RF
Handset RX
Handset TX
SP-phone TX
SP-phone RX
HEADSET_DET
C71
NC
C28
NC
C97
D10p
C96
D10p
D3 NC
D4 NC
C12
10u
C42
K1000p
GND GND
R73 33
R74 33
RXON
RXp
TXON
TXp
TXn
RXn
C70
NC
DA801
1
2
3
C39
K1000p
C
5
2
D1
0
p
C53
12p
R1
NC
GND
GND
GNDA
R27
2.2k
R23
390
GNDA
GNDA
R807
470
R806
470
VBAT
SPP
SPM
MIC+
MIC-
R34
390
GNDA
GND
GND
GND
GND
GND
GND
GNDGND
GND
C820
1.8p
C863
1.8p
GND
GND
GND
C802
2p
C803
1.3p
GNDGND
GND GND
GND GND
GND
C814
NC
*RF-SHIELD
NC
C98
NC
C99
NC
GND
GND
C804
1.8p
C805
2.4p
C806
2.4p
C810
2.5p
C813
1.6p
C812
8.2n
L809
1p
C811
100p
C822
10p
C826
10p
C825
10p
C897
24p
C37
10u
(1608)
X1
13.824M
C73
10p
C72
10p
GND GND
L4 180n
L5 NC
C16 22u
L9
0
R28
2.2k
GND
ANT_TP
MIC AP1
1
2
ANT-Short-GND
ANT-Short
D21
4.3V
D14
4.3V
D13
4.3V
D22
4.3V
GNDA1
CN4
Headset Jack
1
4
2
3
5
R80 100
GNDA1
GNDA1
C83 D10p
L75
L10
GNDA
L1
GNDA1
C82 K470p
GNDA
C84
K1000p
L7
GNDA
C87
K1000p
GNDA
C85 NC
L8
10
R25
2.2k
C14
0.039u
R22
3.3k
GND
R32
100k
GND
C801
1
0
p
SP-PHONE_SPEAKER
+
-
RECEIVER
+
-
MIC POWER
RECEIVER+
RECEIVER-
W 0.2mm
L 3.8mm
1st layer
Speakerphone_SP+
Speakerphone_SP-
MIC+
MIC-
W 0.15mm
L 20mm
3rd layer
W 0.2mm
L 10.0mm
1st layer
W 0.15mm
L 20mm
3rd layer
W 0.15mm
L 6.2mm
1st layer
W 0.15mm/L 7mm
W 0.5mm /L 5mm
1st layer
RF BLOCK
Headset_RECEIVER
ANT-Pattern

Table of Contents

Other manuals for Panasonic KX-TG4732B

Related product manuals