EasyManua.ls Logo

Panasonic SA-VK61DEE - J) Deck Circuit & (K) Deck Mechanism Circuit

Panasonic SA-VK61DEE
156 pages
Print Icon
To Next Page IconTo Next Page
To Next Page IconTo Next Page
To Previous Page IconTo Previous Page
To Previous Page IconTo Previous Page
Loading...
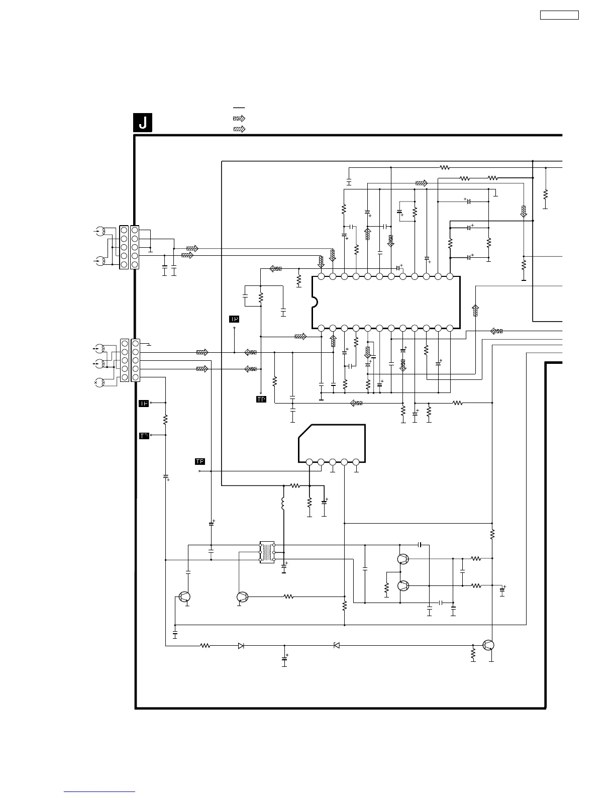
19.6. (J) Deck Circuit & (K) Deck Mechanism Circuit
12345
1234
21222324
5
20
6
19
7
18
8
17
9
16
10
15
11
14
12
13
: PLAYBACK SIGNAL LINE
: RECORD SIGNAL LINE
: +B SIGNAL LINE
CS1001
SCHEMATIC DIAGRAM - 32
DECK CIRCUIT
CS1002
1
2
3
6
5
4
L1002
7L1A62N
IC1001
AN7348S-E1
P.B EQ/REC AMP/
ALC/TPS AMP
IC1004
C1AA00000612
R/P SELECT
VCC
L
R
C1030
10V100
R1015
47
R1018
3.9K
C1032
0.018
C1036
0.033
R1029
C1043
C1056
16V10
C1031
10V100
R1016
47
C1027
1000P
C1023
1000P
C1033
0.018
R1019
3.9K
R1022
10K
C1035
50V3.3
C1037
50V3.3
C1039
220P
C1045
10V22
R1028
8.2K
C1041
16V10
C1021
470P
C1022
1000P
R1017
8.2K
R1009
18K
C1020
470P
C1019
1000P
C1040
16V10
C1012
1000P
C1015
1000P
R1010
18K
R1026
1K
R1005
4.7K
C1009
10V47
4
L1001
G0C470JA0030
C1006
50V1
R1001
1
C1002
50V2.2
C1003
1500P
C1007
4700P
C1001
0.01
R1003
10K
D1003
B0ACCK000005
D1004
B0BC3R700004
Q1001
Q1003
Q1001
B1ABCF000131
SWITCHING
(BEAT PROOF)
Q1003
B1AAGC000007
SWITCHING
(RECH)
Q1007
R1090
220
C1046
10V220
R1040
0
C1044
10V33
R1004
1.5K
R1006
1K
Q1004
Q1005
Q1004-Q1005
B1AAGC000007
BIAS OSCILLATOR
C1013
1000P
C1014
1000P
C1010
25V100
R1007
4.7
C1016
2200P
C1017
2200P
R1011
10K
Q1007
B1ABCF000131
BIAS OSC CONTROL
C1026
6.3V47
R1013
4.7K
R1012
4.7K
C1018
0.01
R1014
4.7K
C1011
0.047
C1008
50V1
C1034
50V3.3
R1032
10K
R1055
2.2K
C1038
220P
R1098
10K
C1042
16V22
R1031
27K
R1035
10K
R1030
100
R1038
4.7K
R1039
15K
5
11
12
TAPE B
INPUT
TAPE B
INPUT
TAPE A
INPUT
TAPE A
INPUT
PB AMP
NF
PB AMP
NF
PB AMP
EQ
PB AMP
EQ
PB AMP
OUTPUT
PB AMP
OUTPUT
AB SW T
REC IN
REC IN
REC OUT
REC OUT
REC/PB SW
AB SW
RIPPLE
FILTER
OUTPUT
GND
VCC
CRO/NOR
HI/LO
ALC T
ALC LOW
CUT
IC1001
SW
GND
CTRL2
CTRL1
IC1004
3
50V4.7
4.7M
C1058 1000P
C1057
1000P
C1059
0.01
1
2
4
5
3
1
2
4
5
3
1
2
4
5
3
1
2
4
5
3
L
PLAYBACK
HEAD
R
L
R
ERASE
HEAD
RECORD/PLAY
HEAD
101
SA-VK61DEE

Table of Contents

Related product manuals