EasyManua.ls Logo

Panasonic SA-VK61DEE - Page 104

Panasonic SA-VK61DEE
156 pages
Print Icon
To Next Page IconTo Next Page
To Next Page IconTo Next Page
To Previous Page IconTo Previous Page
To Previous Page IconTo Previous Page
Loading...
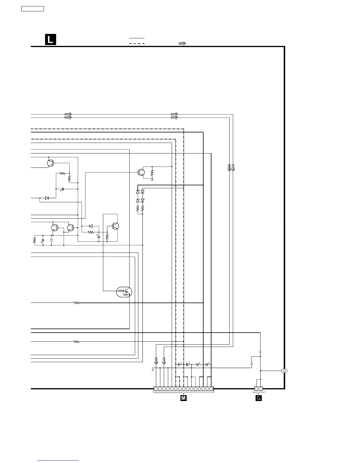
POWER SUPPLY CIRCUIT
R563
100
R564
100K
C543
50V2.2
D545
B0AACK000004
R528
100K
C526
6.3V220
C527
1000P
D527
B0AACK000004
R516 39K
C544
6.3V470
R518
100K
R530
22K
R527
47K
R526
47K
D520
D521
D522
D523
R520 2.2
R521 2.2
C534
35V4700
C533
35V5600
C532
35V5600
C531
35V4700
C512
1000P
C536
0.18
Q548
Q520
Q521
Q549
Q522
Q550
SCHEMATIC DIAGRAM - 35
Q548
KTC3199GRTA
SWITCH
Q520, 521
KTC3199GRTA
DCDET SWITCH
Q549
KTC3199GRTA
DCDET SWITCH
Q522
B1AAGC000007
MUTING SWITCH
R_OUT
R_GND
L_OUT
L_GND
AC_IN
-VccH
AC_GND
-VccL
+VccL
+VccH
: -B SIGNAL LINE
: +B SIGNAL LINE
: MAIN SIGNAL LINE
H500/
W500
TO
POWER CIRCUIT
(CN958) ON
SCHEMATIC
DIAGRAM - 36
D520 - 523
B0BA01900005
Q550
B1GCCFJJ0015
POWER SUPPLY
E500
SNE1004-2
CN900
TO
TACT SWITCH CIRCUIT
(H901/W901) ON
SCHEMATIC
DIAGRAM - 26
15
14
13
12
11
10
2
4
6
8
9
7
5
3
1
2
1
104
SA-VK61DEE

Table of Contents

Related product manuals