EasyManua.ls Logo

Panasonic SA-VK61DEE - Page 76

Panasonic SA-VK61DEE
156 pages
Print Icon
To Next Page IconTo Next Page
To Next Page IconTo Next Page
To Previous Page IconTo Previous Page
To Previous Page IconTo Previous Page
Loading...
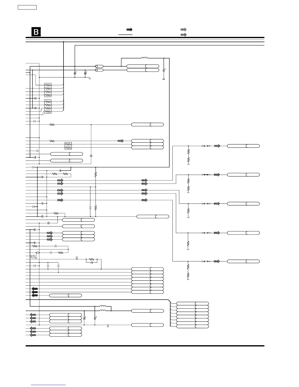
DVD MODULE 2 (DV1) CIRCUIT
SCHEMATIC DIAGRAM - 7
: +B SIGNAL LINE : DVD (VIDEO) SIGNAL LINE
: DVD (AUDIO) SIGNAL LINE: CD-DA SIGNAL LINE
VIN4 FORE
VIN3 FORE
VIN2 FORE
VIN1 FORE
VIN8 FORE
VIN7 FORE
VIN6 FORE
AGND FORE/HIND
VIN9 FORE
VIN10 FORE
LPC1 FORE
LPCO2 FORE
LPC2 FORE
LPCO1 FORE
VREFH FORE
VHALF FORE
AD2 FORE
AD1 FORE
AD0 FORE
DAC1 FORE
DAC0 FORE
CLK54M/(27M) AD
EXTCLK AD
LRCK AD
SRCK AD
DMIXOUT AD
AUDIODIGITAL HIND
D+3.3V FORE/HIND
D+1.5V HIND
C HIND
Y HIND
CR/PR/R HIND
CB/PB/B HIND
Y/PY/G HIND
MDQ(20)
MDQ(27)
MDQ(21)
MDQ(26)
MDQ(25)
MDQ(22)
MDQ(23)
MDQ(24)
C2001
6.3V100
C2002
6.3V100
L2002
G1C100K00020
L2001
G1C100K00020
C2033
1
C2032
1
C2031
1
C2034
0.015
R2031
68K
CP2031
C2036
0.1
R2032
1K
C2037
0.01
CP2032
C2035
220P
CP2033
R2033
15K
C2005
0.1
C2006
0.1
C3032
0.1
C3102
0.1
R3101
15K
C3103
0.1
C3105
10
C3104
0.1
R3103
20K
R3102
2.7K
C3033
0.1
C3106
10
C3015
0.1
CP3014
C3016
0.1
R3041
100
R3043
100
RA3042
(100 x 2)
RA3012
(82 x 4)
RA3011
(82 x 4)
C3017
0.1
C3018
0.1
C3041
22P
R3105
1.5K
C3107
0.1
R3104
2.2K
C3001
6.3V330
C3002
6.3V330
LB3001
J0JHC00000045
C3101 6.3V330
L3101
G1C100K00020
LB3002
J0JHC00000045
K3116
0
R3116
62
R3117
15
K3111
0
R3111
62
R3112
15
K3131
0
R3131
56
K3126
0
R3126
56
K3121
0
R3121
100
D+3.3V FORE/HIND
VGND HIND
R3122
16
MONI (0) HIND
HIND
HIND
HIND
HIND
HIND
HIND
HIND
MONI (1)
MONI (2)
MONI (3)
MONI (4)
MONI (5)
MONI (6)
MONI (7)
76
SA-VK61DEE

Table of Contents

Related product manuals