EasyManua.ls Logo

Panasonic SA-VK91D - Page 77

Panasonic SA-VK91D
155 pages
Print Icon
To Next Page IconTo Next Page
To Next Page IconTo Next Page
To Previous Page IconTo Previous Page
To Previous Page IconTo Previous Page
Loading...
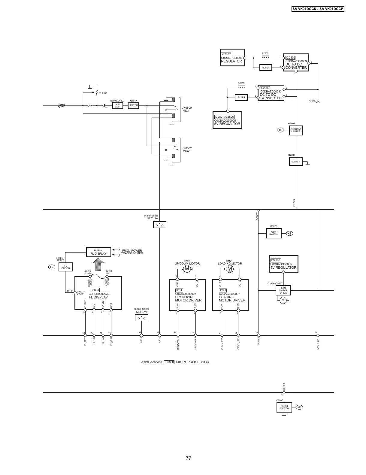
DCDET
IC2808
C0CBADG00005
5V REGULATOR
DCDET
72
Q2826~Q2837
FAN
MOTOR
DRIVE
M
C2CBJG000460
MICROPROCESSOR
IC6800
Q6800
RESET
SWITCH
B
RESET
12
Q6817
LIMITER
Q6806,Q6807
MIC
AMP
JK6800
MIC1
JK6802
MIC2
S6810~S6815
KEY SW
VR6801
KEY1
97
S6800~S6809
KEY SW
KEY2
92
51~25,
23~18
FL DISPLAY
FL6800
DIG00~
DIG06
Q6825~
Q6828
FL
DRIVER
DIG07~
DIG10
58~61
62~64,
1~4
SEG00~
SEG32
B
FROM POWER
TRANSFORMER
SCK
46
FL_CLK
7
SD ATA
45
FL_DA
8
/CS
43
FL_CS
6
/RESET
42
FL_RST
5
FL DISPLAY
IC6803
C0HBB0000039
OUT2
2
OUT1
4
RM11
UP/DOWN MOTOR
9
R_IN
7
F_IN
26
UP/DOWN F
20
UP/DOWN R
IC11
C0GAG0000007
UP/ DOWN
MOTOR DRIVER
M
OUT2
2
OUT1
4
9
R_IN
7
F_IN
3
OP/CL_FWD
2
OP/CL_REV
RM21
LOADING MOTOR
IC21
C0GAG0000007
LOADING
MOTOR DRIVER
M
DVD_PCNT
68
B
Q6820
PCONT
SWITCH
L2805
L2802
2
5
4
2
5
4
1
1
B
IC2801,IC2806
C0CBADG00005
5V REGUALTOR
IC2807
C0DBEFG00003
REGULATOR
IC2803
C0DBAZG00033
DC TO DC
CONVERTER
IC2802
C0DBAZG00033
DC TO DC
CONVERTER
Q2802
CURRENT
LIMITER
Q2838
SWITCH
FILTER
FILTER
DCDET
D2835
77
SA-VK91DGCS / SA-VK91DGCP
All manuals and user guides at all-guides.com

Table of Contents

Related product manuals