EasyManua.ls Logo

Panasonic SA-VK91D - Page 90

Panasonic SA-VK91D
155 pages
Print Icon
To Next Page IconTo Next Page
To Next Page IconTo Next Page
To Previous Page IconTo Previous Page
To Previous Page IconTo Previous Page
Loading...
R2157
3.3K
R2158
27K
C2142
33P
C2144
50V47
R2155
1K
C2140
50V4.7
R2156
47K
C2141
50V33
C2238
50V33
R2255
47K
R2254
1K
C2237
50V4.7
R2256
3.3K
R2257
27K
C2239
33P
C2240
0.01
C2143
0.01
R2159
100K
R2258
100K
C2241
50V47
R2970
470
R2971
100K
C2956
0.1
D2834
B0BC5R000009
C2955
0.1
R2968
47K
C2959
100P
R2974
100
C2148
1
C2245
1
R2141
47K
R2243
47K
C2510
22P
R2516
27K
R2517
10K
C2515
0.47
C2514
0.1
C2511
330P
R2518
10K
C2512
1
R2524
1K
R2144
22K
R2520
5.6K
R2521
0
R2637
0
C2312
0.082
R2319
10K
R2318
33K
R2145
100K
C2314
1
C2302
50V1
R2315
22K
C2313
22P
R2314
22K
R2313
22K
R2322
22K
R2325
56K
R2323
1.8K
C2317
50V3.3
R2321
56K
R2320
22K
R2636
0
R2312
27K
C2311
18P
R2142
47K
R2242
47K
C2246
0.022
C2149
0.022
R2646
0
R2635
0
R2317
47K
C2316
0.1
R2165
4.7K
R2263
4.7K
LINE_LIN
LINE_RIN
+9V
EXT_R
PART Y
LS_RS
EXT_L
+9V
+9V
KA_LOUT
-9V
KA_ROUT
DSP_C
SFC
-9V
IC2818
C0JBAR000292
ANALOG SWITCH IC
Z0 Z Z1 Y0 Y1
X0 X1 X Y
CC
-VCC
+VCC
SUR SUR
IC2817
C0ABCB000052
QUAD OP-AMP IC
IC2819
KIA4558FEL
DUAL OP-AMP IC
Q2842
B1ABEB000001
SWITCH
Q2841
B1BCCFGA0005
SWITCH
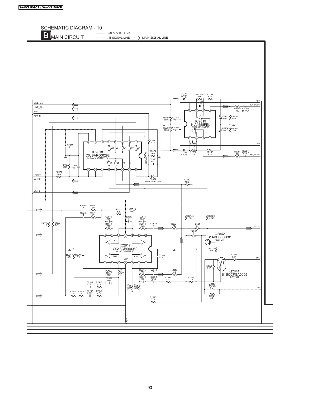
MAIN CIRCUIT
SCHEMATIC DIAGRAM - 10
: -B SIGNAL LINE
: +B SIGNAL LINE
: MAIN SIGNAL LINE
R2343 0
R2342
10K
1
2
7
8
3
6
4
5
12
15 16
3
14
4
13
5
12
6
11
7
10
8
9
12
13 14
3
12
4
11
5
10
6
9
7
8
90
SA-VK91DGCS / SA-VK91DGCP
All manuals and user guides at all-guides.com

Table of Contents

Related product manuals